EasyManua.ls Logo

HBM MGCplus - Page 292

HBM MGCplus
304 pages
Print Icon
To Next Page IconTo Next Page
To Next Page IconTo Next Page
To Previous Page IconTo Previous Page
To Previous Page IconTo Previous Page
Loading...
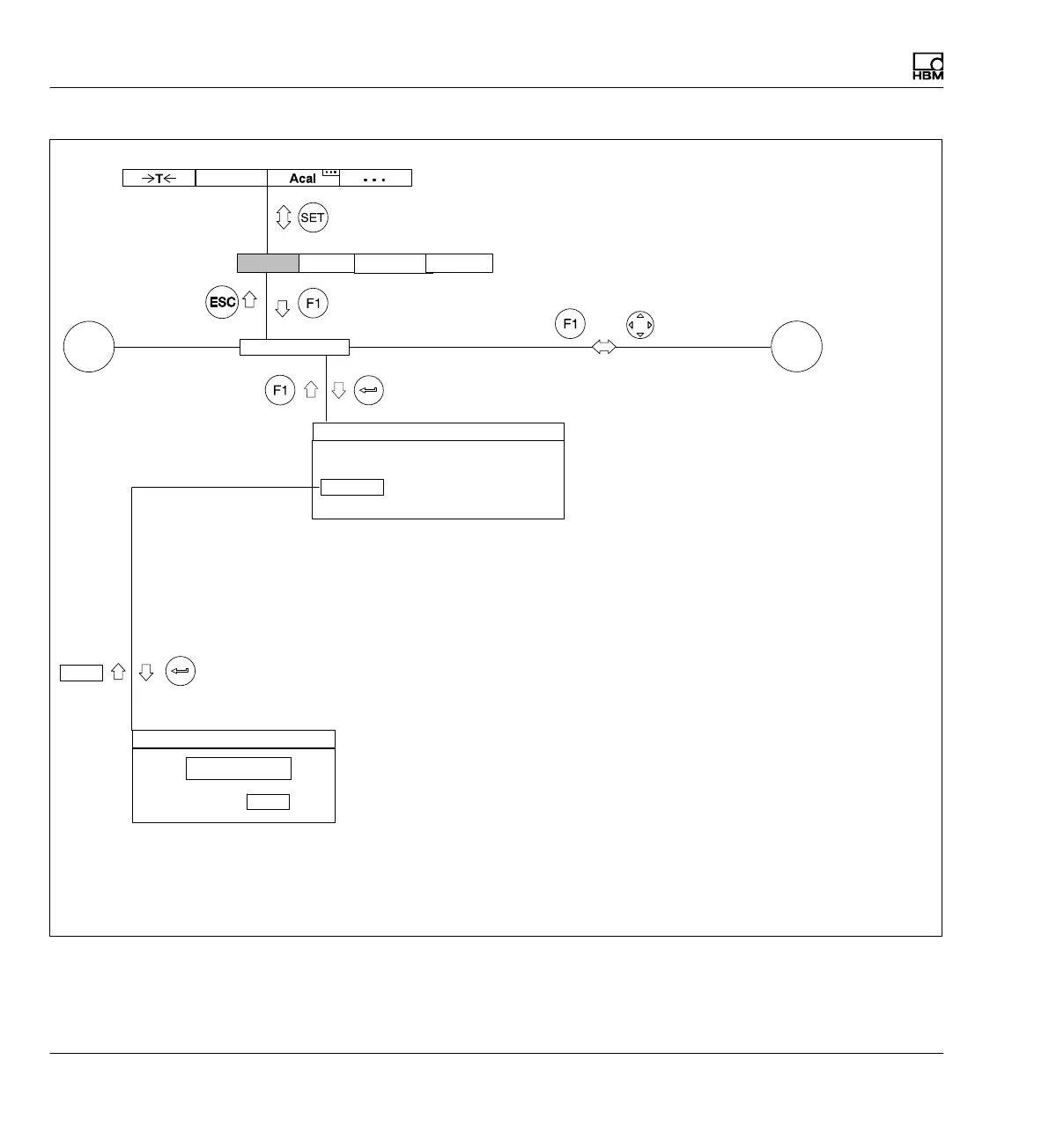
Menu structure
292 A0534-30.0 HBM: public MGCplus
NTP
Status
Synchronization
off
Status: MASTER
Display
Amplifier
OptionsSystem
oder
E
NTP
Server:
OK
OK
CP42
Synchronization
F

Table of Contents

Related product manuals