EasyManua.ls Logo

Moog ACV Series - 7 Servo Valve Functions; Figure 45: Servo Valve Controller and Command Signal Conditioning

Moog ACV Series
364 pages
Print Icon
To Next Page IconTo Next Page
To Next Page IconTo Next Page
To Previous Page IconTo Previous Page
To Previous Page IconTo Previous Page
Loading...
Moog ACV with CANopen bus interface 7 Servo valve functions
B99224-DV018-D-211, Rev. A, October 2018 126
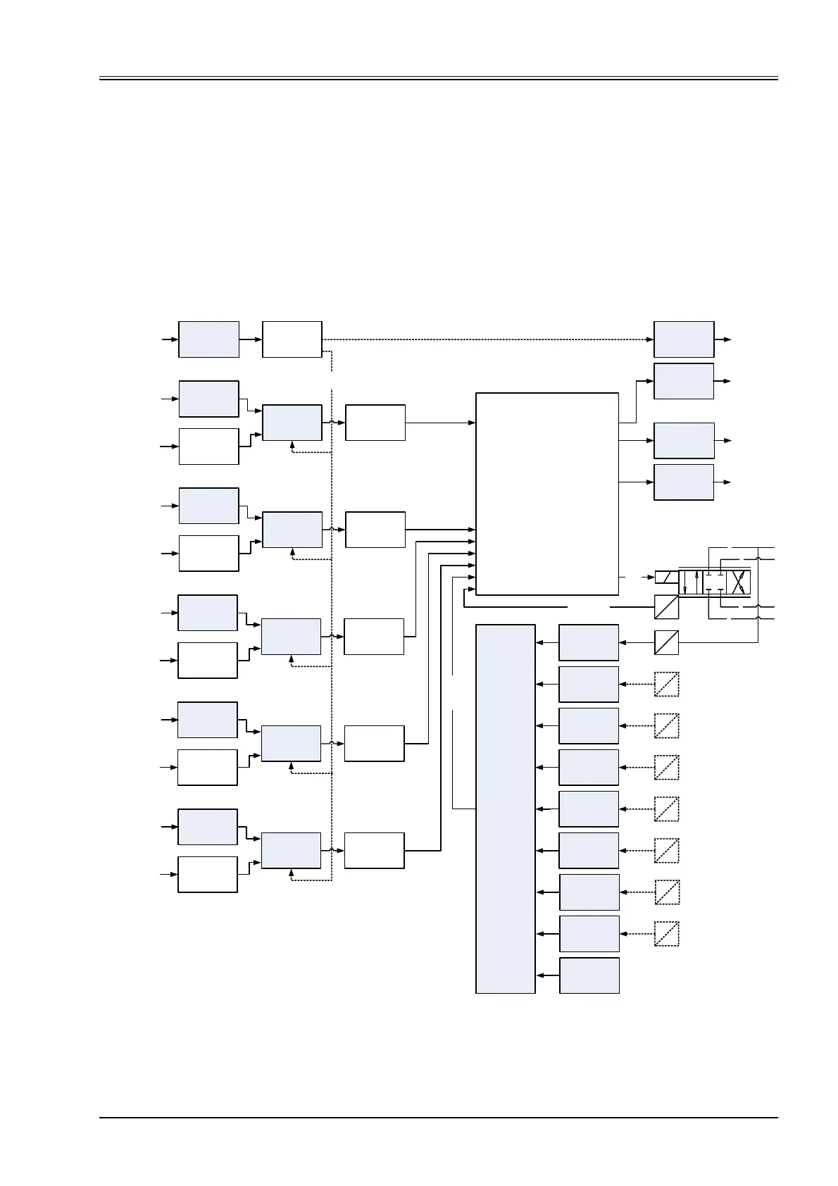
7 Servo valve functions
This chapter describes how the servo valve operates depending on the <ControlMode> (0x6043):
Controller (spool position, pressure, axis position, axis velocity and flow controller)
Monitoring functions
Command signal conditioning (spool position, pressure and axis positon demand value generator)
The following structure shows the controllers and the signal conditioning blocks "demand value generator"
and how they are embedded into the whole system.
Chapter "7.1 Control modes", page 127
Figure 45: Servo valve controller and command signal conditioning
p
Actual value
transducer
interface
Pressure
demand value
generator
Pressure
setpoint value
path
Spool position
demand value
generator
Spool position
setpoint value
path
Analog input 2
Analog input 3
Analog input 4
Analog input 1
Analog input 0
Internal pressure
transducer in
port A
Object 0x1600:
RxPDO mapping
Object 0x1600:
RxPDO mapping
p
p
p
p
pA
Digital input 0
Enable
signal
Device state
machine
Activate
hold setpoints
Pressure
setpoint value from
field bus
Spool position
setpoint value from
field bus
Digital output 1
Error
output
Demand spool
position value
T
P
B
A
s
u
Spool position
actual value
Controller
Monitoring
Actual
values 1...8
Analog output 0
Analog output 1
Spool position
actual value
Pressure
actual value
Digital output 0
Enable
acknowledge
Pressure
setpoint value from
analog signal
Spool position
setpoint value from
analog signal
Field bus or
Local CAN
p
Any signed
16 bit / 32 bit
param. from the
object dictionary
Axis position
demand value
generator
Axis position
setpoint value
path
Object 0x1600:
RxPDO mapping
Axis position
setpoint value from
field bus
Axis velocity
setpoint value
path
Object 0x1600:
RxPDO mapping
Axis velocity
setpoint value from
field bus
Flow setpoint
value path
Object 0x1600:
RxPDO mapping
Flow setpoint value
from field bus
SSI / Incremental
Encoder
s
Any signed
16 bit / 32 bit
param. from the
object dictionary
Any signed
16 bit / 32 bit
param. from the
object dictionary
Any signed
16-bit
param. from the
object dictionary
Analog input 0
Analog input 1
Axis position
setpoint value from
transducer interface
Axis velocity
setpoint value from
transducer interface
Flow setpoint value
from transducer
interface
Axis velocity
demand value
generator
Flow demand
value generator
Chapter 6.7.1
Chapter 6.4.1
Chapter 6.4.1
Chapter 5.2
Chapter 6.2.3
Chapter 6.2.4
Chapter 7.2
Chapter 7.4
Spool position controller:
Chapter 7.3
Pressure controller:
Chapter 7.5
Chapter 7.15
Chapter 6.3
Chapter 6.4.6
Chapter 6.4.1
Chapter 6.4.2
Chapter 6.4.3
Chapter 6.4.4
Chapter 6.4.5
Chapter 6.8.2
Chapter 6.8.2
Chapter 6.5.1
Chapter 6.5.2
Chapter 2.8.3.2
Chapter 2.8.3.2
Chapter 2.8.3.2
Chapter 2.8.3.2
Chapter 2.8.3.2
Chapter 6.2.5
Chapter 6.2.6
Chapter 6.2.7
Chapter 7.7
Chapter 7.9
Chapter 7.11
Chapter 6.6.4

Table of Contents