EasyManua.ls Logo

Moog ACV Series - Sample Frequency; Flow Control Mode; Figure 131: Flow Control Mode

Moog ACV Series
364 pages
Print Icon
To Next Page IconTo Next Page
To Next Page IconTo Next Page
To Previous Page IconTo Previous Page
To Previous Page IconTo Previous Page
Loading...
Moog ACV with CANopen bus interface 7 Servo valve functions
Flow control
B99224-DV018-D-211, Rev. A, October 2018 219
7.12.4 Sample frequency
The sample frequency is equal to the <BasicSampleFrequency> (0x3030).
Chapter "7.1.13.1 Object 0x3030: Basic sample frequency", page 136
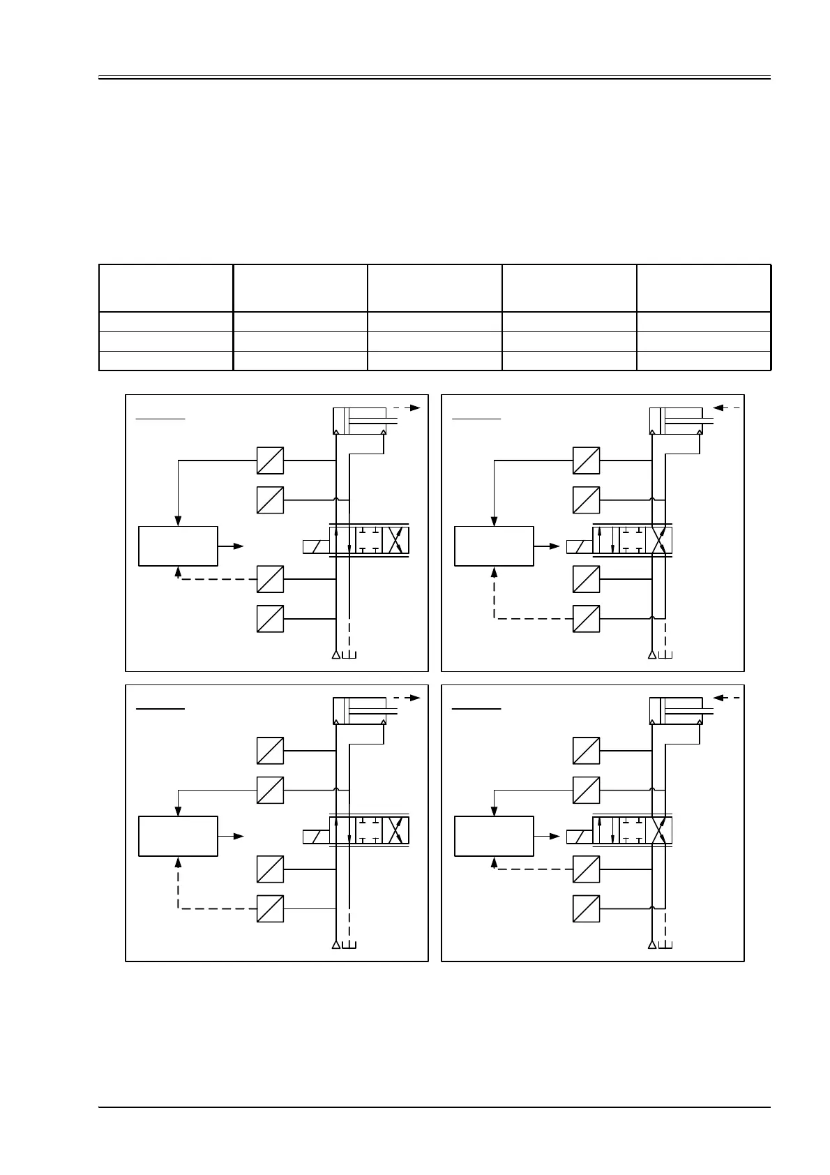
7.12.5 Flow control mode
The <FlwControlMode> (0x5205) is used to select the connection variants of the existing pressure sensors.
Figure 131: Flow control mode
Edge for y>0 Edge for y<0 Pressure sensor at
cylinder connector A
Pressure sensor at
cylinder connector B
Flow control mode
<FlwControlMode>
(0x5205)
P-A P-B x x 0
P-A A-T x 1
B-t P-B x Not implemented
P-A (y>0)
pA
u
pB
u
pP
u
pT
u
A-T (y<0)
pA
u
pB
u
pP
u
pT
u
x x
B-T (y>0)
pA
u
pB
u
pP
u
pT
u
P-B (y<0)
pA
u
pB
u
pP
u
pT
u
x x
Bernoulli
compensation
Bernoulli
compensation
Bernoulli
compensation
Bernoulli
compensation
Chapter 7.12.11
Chapter 7.12.11
Chapter 7.12.11
Chapter 7.12.11

Table of Contents