EasyManua.ls Logo

Moog ACV Series - Figure 132: Flow Transducer Selection; Flow Transducer Selection

Moog ACV Series
364 pages
Print Icon
To Next Page IconTo Next Page
To Next Page IconTo Next Page
To Previous Page IconTo Previous Page
To Previous Page IconTo Previous Page
Loading...
Moog ACV with CANopen bus interface 7 Servo valve functions
Flow control
B99224-DV018-D-211, Rev. A, October 2018 221
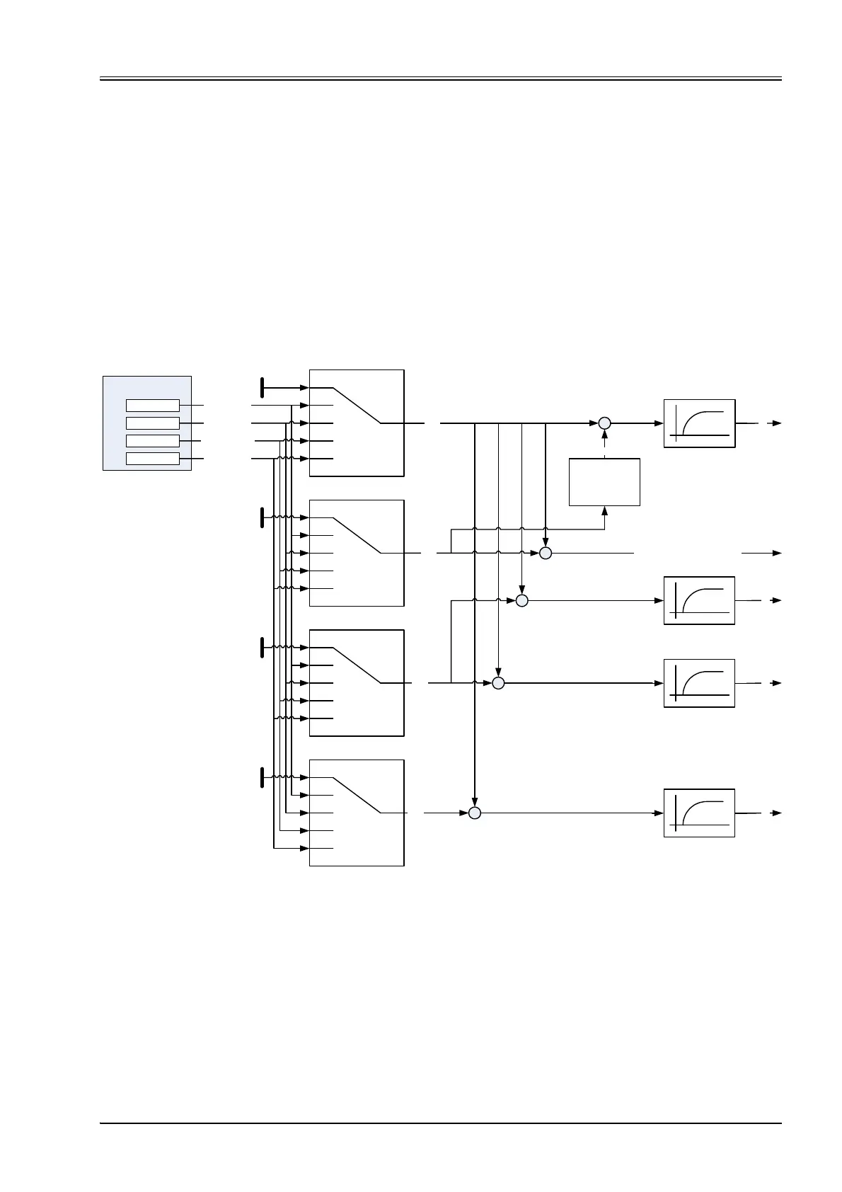
7.12.6 Flow transducer selection
The pressure actual values are read and scaled via the transducer interfaces. The parameter
<ActiveTransducerInterfaceAreaA> (0x230D[N]) keeps the number of the interface for the pressure in cylinder
A-side. If the pressure on A-side is rising, the cylinder has to move in positive direction.
The actual pressure on A-side is necessary for the flow control. The pressure in cylinder B-side is optional as
well as the system pressure and the tank pressure (corresponding interface numbers:
<ActiveTransducerInterfaceAreaB> (0x230F[N]), <ActiveTransducerInterfaceSystem> (0x2330) and
<ActiveTransducerInterfaceTank> (0x5217). All actual pressure values are filtered with a low pass filter.
Chapter "7.5.10.1 Object 0x230D[N]: Active transducer interface area A", page 173
Chapter "7.5.10.2 Object 0x230F[N]: Active transducer interface area B", page 173
Chapter "7.5.11.1 Object 0x23F2: Actual pressure filter cutoff frequency", page 174
Chapter "7.5.11.2 Object 0x23F3: Actual pressure filter order", page 174
Figure 132: Flow transducer selection
Actual value path
transducer interface
Interface 1
Interface 2
Interface 3...7
Interface 8
<ActualValue4>
(0x6217)
<ActualValue3>
(0x6212...0x6216)
<ActualValue2>
(0x6211)
<ActualValue1>
(0x6210)
<ActiveTransducerInterfaceAreaA>
(0x230D[N])
1
2
3...7
8
0
<PosActualValue1>
(0x6601)
1
2
3...7
8
0
1
2
3...7
8
0
<PosActualValue3>
(0x6601)
<PosActualValue4>
(0x6601)
<ActiveTransducerInterfaceAreaB>
(0x230F[N])
<ActiveTransducerInterfaceSystem>
(0x2330)
<ActiveTransducerInterfaceTank>
(0x5217)
1
2
3...7
8
0
-
<PrsActualFilterTimeConstant>
(0x5210)
-
<PrsActualFilterOrder>
(0x23F3)
<PrsActualFilterCutoffFrequency>
(0x23F2)
<PrsActualFilterTimeConstant>
(0x5210)
<PrsActualFilterTimeConstant>
(0x5210)
#LekageCopmensationPressureAB#
#PressurePA##PressurePB##PressureAT#
-
-
-
#PressureB#
Alpha correction
<PosActualValue2>
(0x6601)
#PressureA#

Table of Contents