EasyManua.ls Logo

Moog ACV Series - Device State Machine (DSM)

Moog ACV Series
364 pages
Print Icon
To Next Page IconTo Next Page
To Next Page IconTo Next Page
To Previous Page IconTo Previous Page
To Previous Page IconTo Previous Page
Loading...
Moog ACV with CANopen bus interface 5 Device control
Device state machine (DSM)
B99224-DV018-D-211, Rev. A, October 2018 46
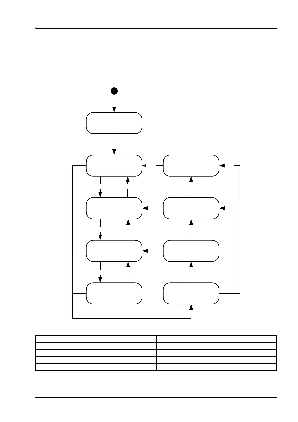
5.2 Device state machine (DSM)
The device state machine (DSM) describes the states of the servo valve and the transitions between them.
Any state represents a certain internal and external behavior. State changes result from DSM input and other
events (for example switching on the supply voltage or on the appearance of a device fault). The current de-
vice state can be read by means of the <StatusWord> (0x6041) (bits 0…3 of the status word indicate the de-
vice condition).
Figure 19: Device state machine
'NOT READY'
#ControlWord# MHD = 000
<StatusWord> RMHD = 0000
'INIT'
#ControlWord# MHD = 000
<StatusWord> RMHD = 1000
'DISABLED'
#ControlWord# MHD = xx1
<StatusWord> RMHD = 1001
'HOLD'
#ControlWord# MHD = x11
<StatusWord> RMHD = 1011
'ACTIVE'
#ControlWord# MHD = 111
<StatusWord> RMHD = 1111
'FAULT HOLD'
<StatusWord> RMHD = 0011
'FAULT REACTION'
<StatusWord> RMHD = 0111
TR1
TR2
TR3
TR4 TR5
TR6
TR7
TR8
TR9
TR10
TR11
TR0
TR14
'FAULT DISABLED'
<StatusWord> RMHD = 0001
TR15
'FAULT INIT'
<StatusWord> RMHD = 0000
TR16
TR13
TR12
<StatusWord> (0x6041) #ControlWord#
(Bit 3) R: Ready (Bit 3) R: Reset fault
(Bit 2) M: Active (Bit 2) M: Active
(Bit 1) H: Hold (Bit 1) H: Hold
(Bit 0) D: Disabled (Bit 0) D: Disabled

Table of Contents

Related product manuals