EasyManua.ls Logo

Moog ACV Series - Figure 50: P;Q Control Closed Loop; P;Q Control Closed Loop

Moog ACV Series
364 pages
Print Icon
To Next Page IconTo Next Page
To Next Page IconTo Next Page
To Previous Page IconTo Previous Page
To Previous Page IconTo Previous Page
Loading...
Moog ACV with CANopen bus interface 7 Servo valve functions
Control modes
B99224-DV018-D-211, Rev. A, October 2018 131
Description of the feedback signal <ActualValue1…8> (0x6210…0x6217):
Chapter "6.3 Drive transducer interface", page 72
Chapter "7.1.1 Object 0x6043: Control mode", page 128
Chapter "7.4.1 Object 0x6390: Demand value", page 159
Chapter "7.5.7 Object 0x2418: Controller output", page 170
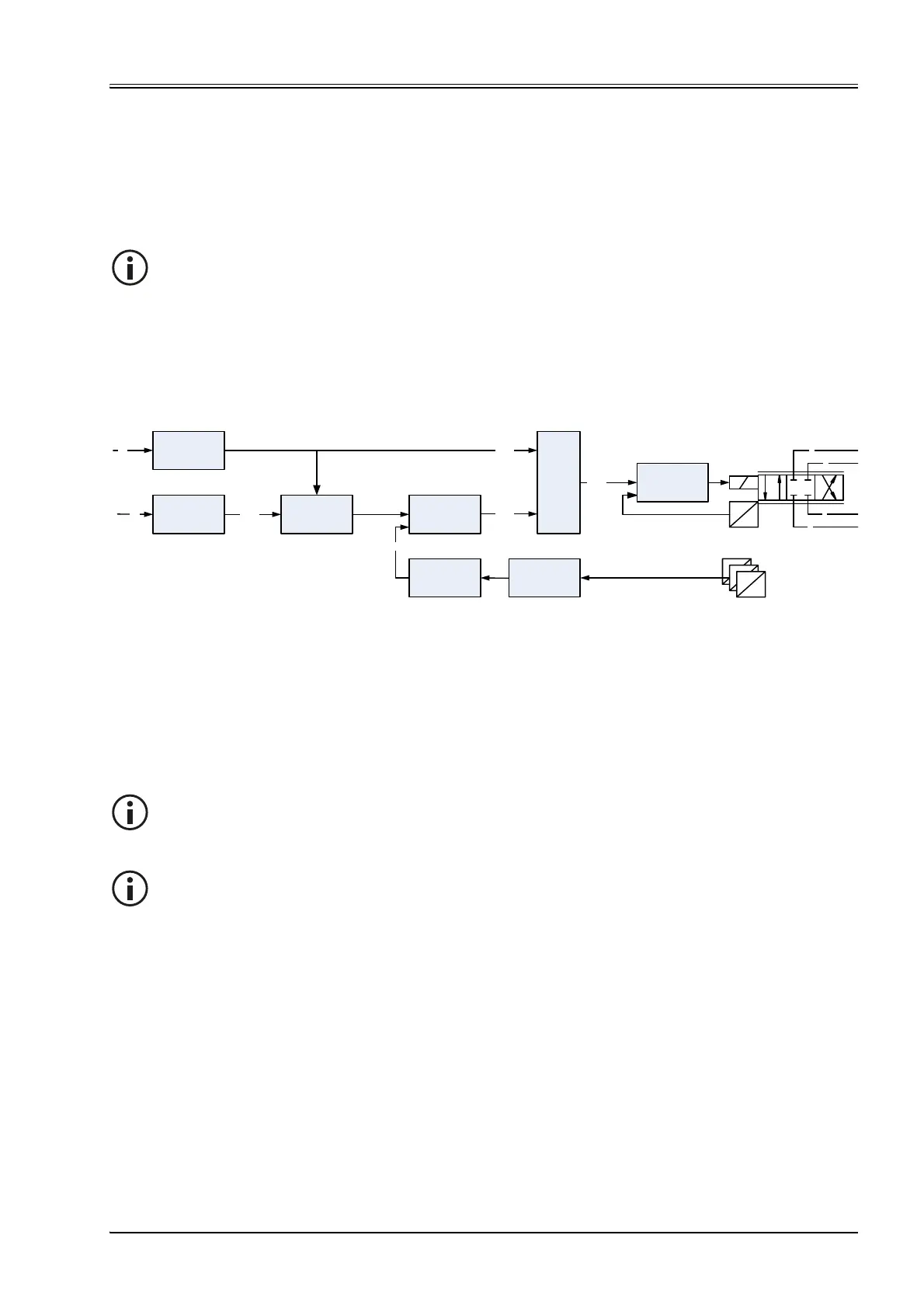
7.1.8 p/Q control closed loop
The p/Q control mode is selected by setting the parameter <ControlMode> (0x6043) to 5 (p/Q control).
Figure 50: p/Q control closed loop
Description of the feedback signal <ActualValue1…8> (0x6210…0x6217):
Chapter "6.3 Drive transducer interface", page 72
Chapter "7.2.1 Object 0x6310: Demand value", page 136
Chapter "7.4.1 Object 0x6390: Demand value", page 159
Chapter "7.5.7 Object 0x2418: Controller output", page 170
Chapter "7.6.1.1 Object 0x3300: Demand value pilot", page 188
The signal #PressureSetpoint# is an internal signal only. It links the signal from the pressure set-
point value path to the pressure demand value generator.
Chapter "6.2.4 Pressure setpoint value path", page 61
T
P
B
A
<ActualValue1...8>
<PrsDemandValue>
(0x6390)
<SplDemandValue>
(0x6310)
<DemandValuePilot>
(0x3300)
Spool position (Q) /
pressure (p)
switchover
s
u
Actual value
transducer
interface
Pressure
demand value
generator
#PressureSetpoint#
Spool position
demand value
generator
#SpoolPositionSetpoint#
Pressure
controller
<PrsControllerOutput>
(0x2418)
Pressure
demand sign
p
u
p
u
p
u
Analog inputs
Spool position
controller
Chapter 7.4
Chapter 7.3
Chapter 7.5
Chapter 6.4
Chapter 6.3
Chapter 7.4.6
Chapter 7.2
Chapter 7.6
The signal #PressureSetpoint# is an internal signal only. It links the signal from the pressure set-
point value path to the pressure demand value generator.
Chapter "6.2.4 Pressure setpoint value path", page 61
The signal #SpoolPositionSetpoint# is an internal signal only. It links the signal from the spool po-
sition setpoint value path to the spool position demand value generator.
Chapter "6.2.3 Spool position setpoint value path", page 59

Table of Contents