EasyManua.ls Logo

Moog ACV Series - Dual Stage Servo Valve for Closed Loop Control; Dual Stage Servo Valve for Open Loop Control; Figure 69: Dual Stage Servo Valve for Open Loop Control; Figure 70: Dual Stage Servo Valve for Closed Loop Control

Moog ACV Series
364 pages
Print Icon
To Next Page IconTo Next Page
To Next Page IconTo Next Page
To Previous Page IconTo Previous Page
To Previous Page IconTo Previous Page
Loading...
Moog ACV with CANopen bus interface 7 Servo valve functions
Spool position controller
B99224-DV018-D-211, Rev. A, October 2018 154
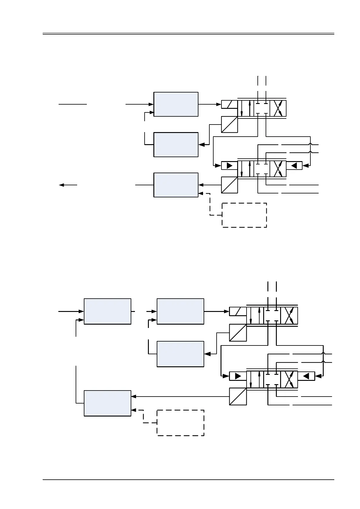
7.3.2 Dual stage servo valve for open loop control
Control structure of a dual stage servo valve open loop control.
Figure 69: Dual stage servo valve for open loop control
7.3.3 Dual stage servo valve for closed loop control
Control structure of a dual stage servo valve closed loop control.
Figure 70: Dual stage servo valve for closed loop control
Pilot spool position
controller
T
P
B
A
X
Y
s
u
s
u
Main stage spool
position actual
value path
<ActualValuePilot>
(0x3301)
Pilot spool position
actual value path
<ExternalLVDTActualValue>
(0x3235)
<SplActualValue>
(0x6301)
<ControllerOutput>
(0x2158)
Actual value
transducer
interface
Chapter 7.3.5
Chapter 7.3.4
Chapter 7.3.6
Pilot spool position
controller
T
P
B
A
<ExternalLVDTActualValue>
(0x3235)
<SplActualValue>
(0x6301)
X
Y
s
u
s
u
Main stage spool
position actual
value path
Main stage spool
position controller
<ControllerOutput>
(0x2158)
<ActualValuePilot>
(0x3301)
Pilot spool position
actual value path
Actual value
transducer
interface
Chapter 7.3.8 Chapter 7.3.5
Chapter 7.3.4
Chapter 7.3.6

Table of Contents