EasyManua.ls Logo

Renesas M32R/ECU Series - Example of UART Transmit Operation

Renesas M32R/ECU Series
839 pages
Print Icon
To Next Page IconTo Next Page
To Next Page IconTo Next Page
To Previous Page IconTo Previous Page
To Previous Page IconTo Previous Page
Loading...
12
12-46
Serial I/O
12.6 Transmit Operation in UART Mode
32180 Group User's Manual (Rev.1.0)
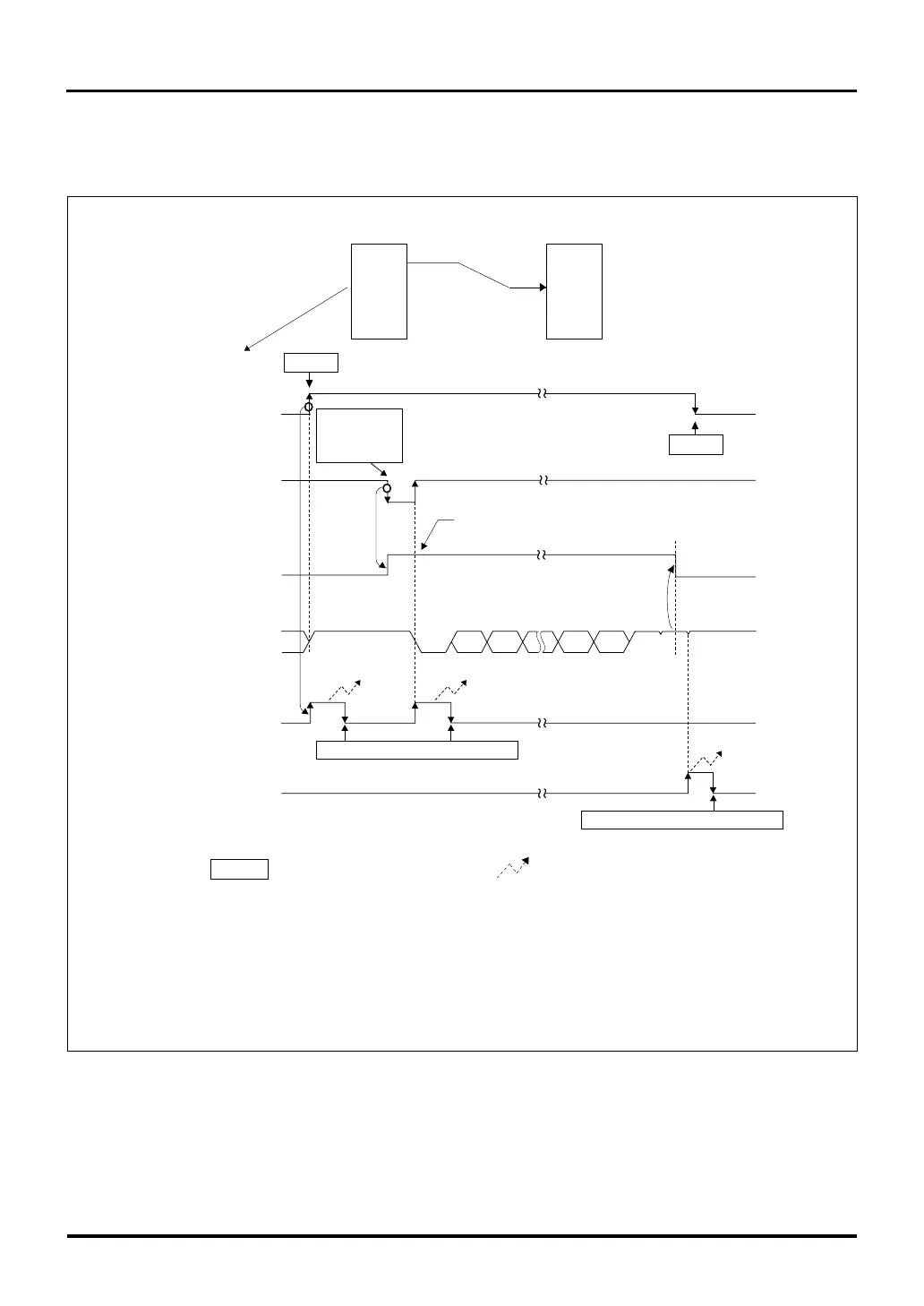
12.6.9 Example of UART Transmit Operation
The following shows a typical transmit operation in UART mode.
<UART on transmit side>
<UART on transmit side> <UART on receive side>
TXD
RXD
Transmit enable bit
Transmit buffer
empty bit
b0
b6
b7
ST
SP SP
PAR
Write to the
transmit buffer
register
Transmit status bit
TXD
SIO transmit interrupt request (Note 1)
Set
Cleared
: Processing by software : Interrupt request generated
Cleared
Transferred from the transmit buffer
to the transmit shift register
(transmission starts)
Set
Interrupt request accepted (Note 4)
(Note 2)(Note 6)
(Note 3)(Note 7)
(Note 2)
(Note 5)
Transmit
interrupt request
Transmit interrupt request
Transmit interrupt request
Interrupt request accepted (Note 4)
(When transmit buffer empty
interrupt is selected)
(When transmission finished
interrupt is selected)
Note 1: Changes of the Interrupt Controller's SIO Transmit Interrupt Control Register interrupt request bit
Note 2: When transmit buffer empty interrupt is enabled (DMA transfer can also be requested at the same time)
Note 3: When transmission finished interrupt is enable
Note 4: The Interrupt Controller's IVECT register is read or the SIO Transmit Interrupt Control Register interrupt request bit cleared
Note 5: A transmit interrupt request is generated when transmission is enabled.
Note 6: Be aware that even after transmit data is written to the transmit buffer, a transmit interrupt request is generated when the
data is transferred from the transmit buffer to the transmit shift register and the transmit buffer is thereby emptied.
Note 7: A transmission finished interrupt request is generated when data in the transmit shift register has all been transmitted.
Figure 12.6.5 Example of UART Transmission (Transmitted Only Once)

Table of Contents

Related product manuals