EasyManua.ls Logo

Suzuki Wagon R Plus RB310 - Engine and Emission Control System Diagram

Suzuki Wagon R Plus RB310
846 pages
Print Icon
To Next Page IconTo Next Page
To Next Page IconTo Next Page
To Previous Page IconTo Previous Page
To Previous Page IconTo Previous Page
Loading...
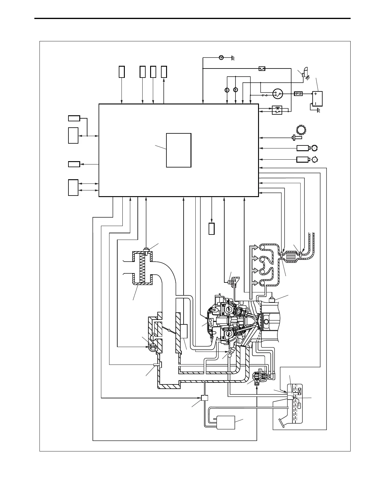
ENGINE AND EMISSION CONTROL SYSTEM (M13 ENGINE) 6E2-5
Engine and Emission Control System Diagram
26
10
9
7
8
14
13
23
11
15
12
2
6
5
1
3
18 24
39 35
30
29
38
16
17
37
36
31
22
21
19
20
27
25
34
32
4
33
28

Table of Contents

Related product manuals