EasyManua.ls Logo

Suzuki Wagon R Plus RB310 - Wiring Circuit (M13 Engine Model)

Suzuki Wagon R Plus RB310
846 pages
Print Icon
To Next Page IconTo Next Page
To Next Page IconTo Next Page
To Previous Page IconTo Previous Page
To Previous Page IconTo Previous Page
Loading...
1B-2 AIR CONDITIONING (OPTIONAL)
Diagnosis
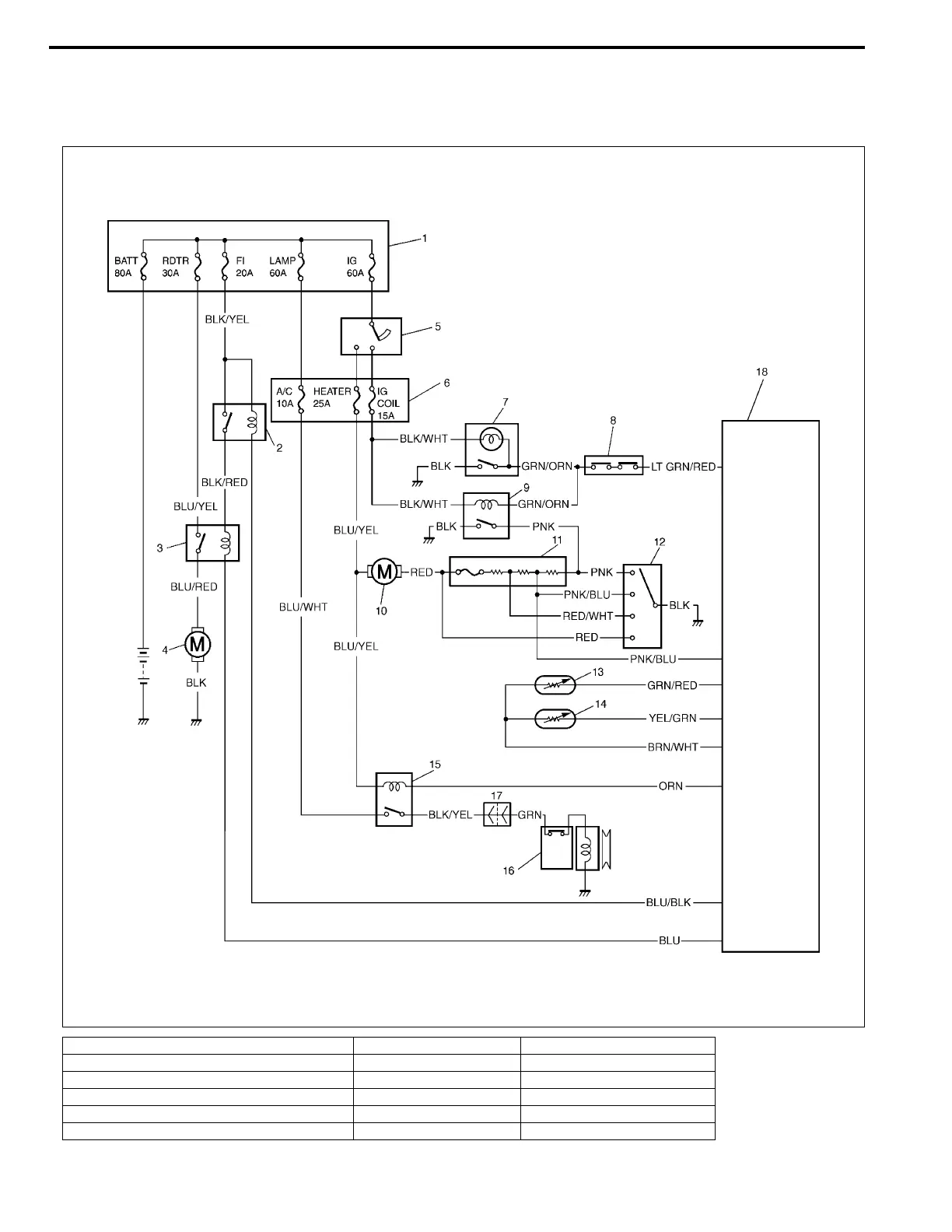
Wiring Circuit (M13 Engine Model)
1. Main fuse box 7. A/C switch 13. A/C evaporator thermistor
2. Main relay 8. Dual pressure switch 14. ECT sensor
3. Radiator (and condenser) cooling fan motor relay 9. Blower fan motor relay 15. Compressor relay
4. Radiator (and condenser) cooling fan motor 10. Blower fan motor 16. Compressor
5. Ignition switch 11. Blower fan motor resistor 17. Connector
6. Circuit fuse box 12. Blower fan switch 18. ECM

Table of Contents

Related product manuals