EasyManua.ls Logo

Vari Lite VL3000 - Page 175

Vari Lite VL3000
258 pages
Print Icon
To Next Page IconTo Next Page
To Next Page IconTo Next Page
To Previous Page IconTo Previous Page
To Previous Page IconTo Previous Page
Loading...
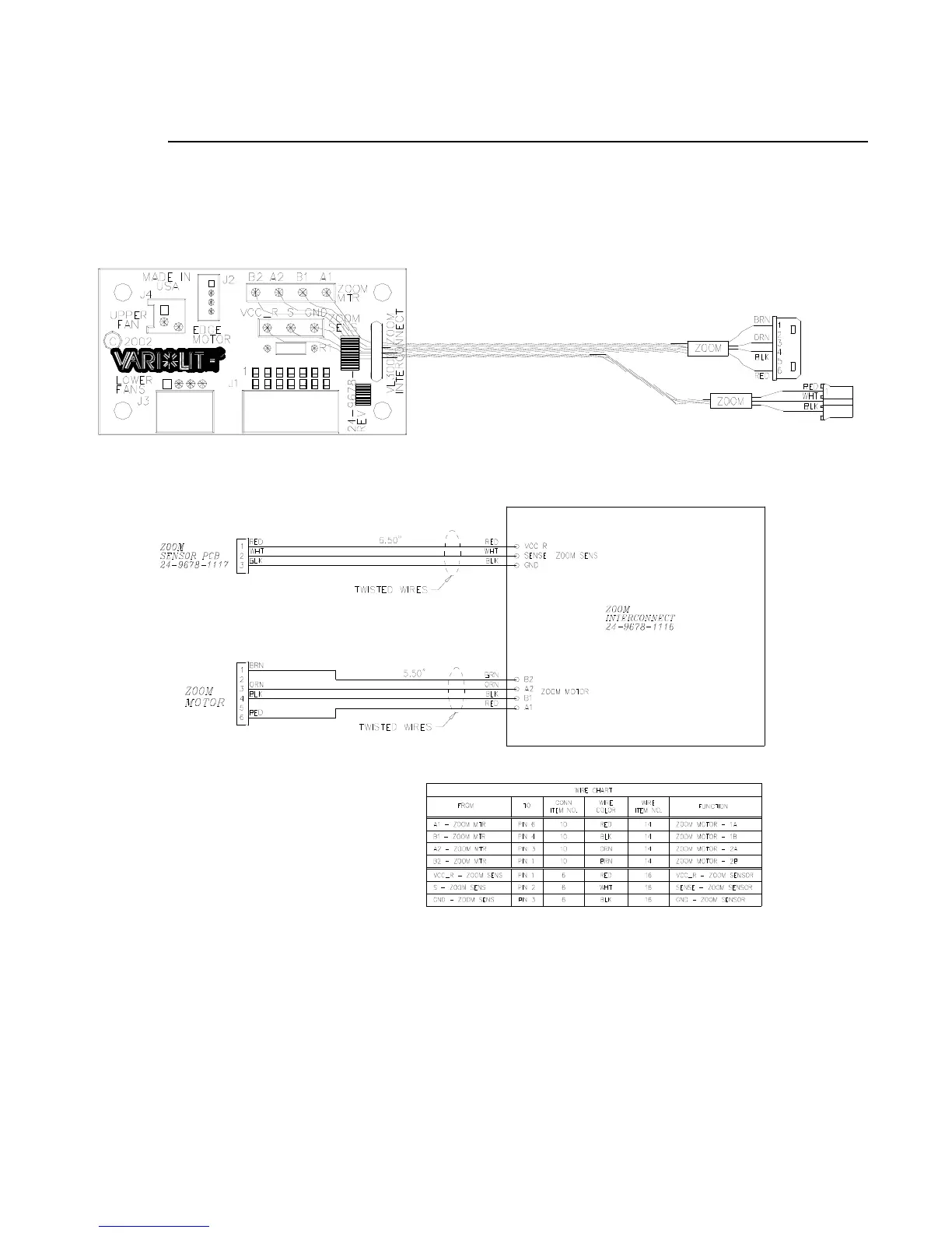
HEAD/YOKE PCB ASSEMBLIES : ARC ZOOM INTERCONNECT PCB ASSEMBLY
02.9678.0010 F 155
3
Zoom Interconnect PCB Assembly (continued)
Figure 3-62: Arc Zoom Interconnect PCB Assembly

Table of Contents

Related product manuals