EasyManua.ls Logo

Vari Lite VL3000 - Page 61

Vari Lite VL3000
258 pages
Print Icon
To Next Page IconTo Next Page
To Next Page IconTo Next Page
To Previous Page IconTo Previous Page
To Previous Page IconTo Previous Page
Loading...
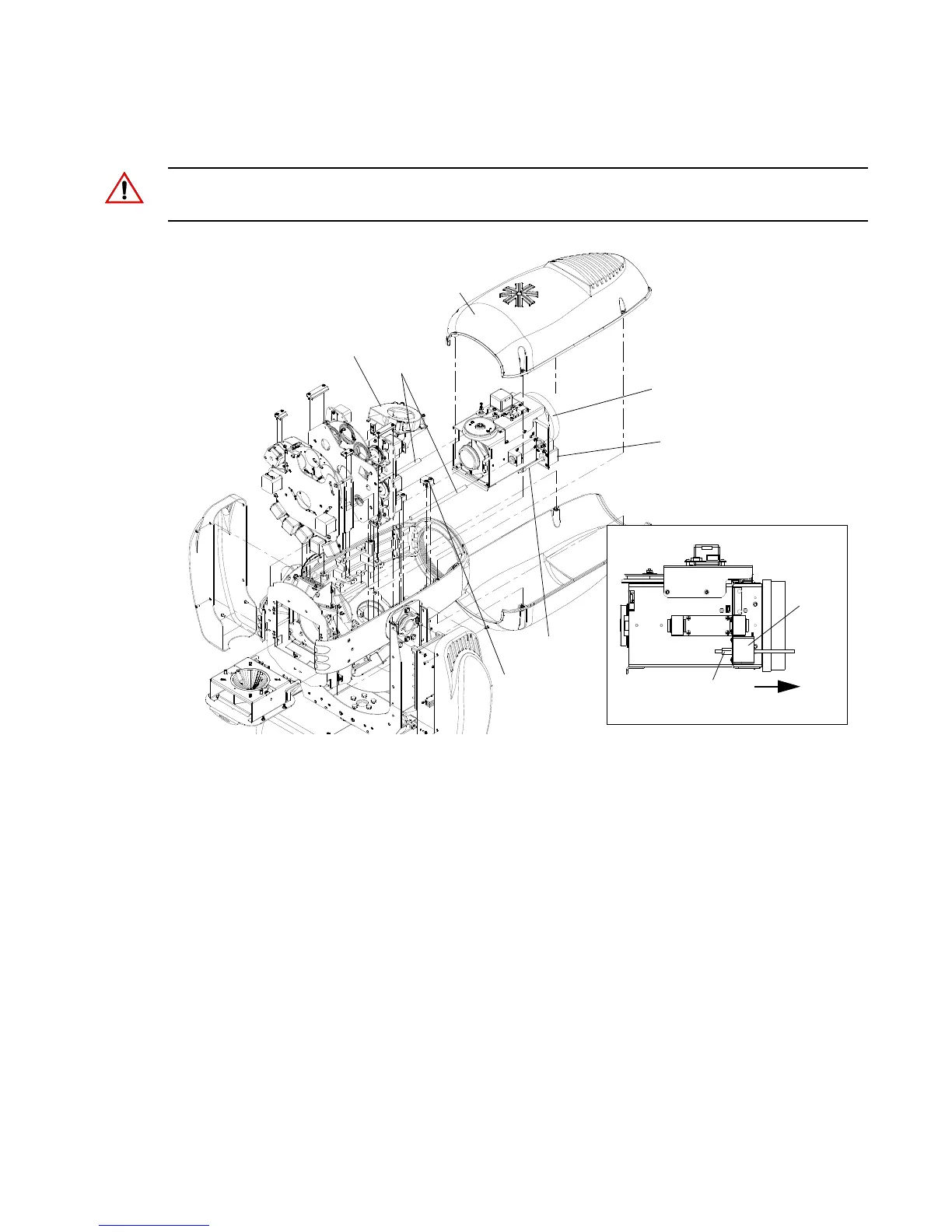
MAINTENANCE PROCEDURES : SPOT OPTIC ASSEMBLY REPLACEMENT
02.9678.0010 F 41
2
Step 19. Finish by performing steps 2 through 4 in the removal section in reverse order.
Note: To prevent binding, thread edge screw all the way into linear actuator motor before re-
installing. Secure right-side optic assembly clamps first when re-installing.
Figure 2-22: VL3000 Spot Optic Assembly Replacement
Spot Optic Assembly
Top Head Cover
Fan
Guide Rod
Linear Actuator
Motor (see detail)
Thread all the way into motor
as shown before re-installing.
Optic Assembly Side View
Edge
Screw
Edge Screw
Motor
Clamp
(Secure this side
first when re-
installing.)

Table of Contents

Related product manuals