EasyManua.ls Logo

Ducati Monster 796 - Handlebar Unit: Clutch Lever

Ducati Monster 796
685 pages
Print Icon
To Next Page IconTo Next Page
To Next Page IconTo Next Page
To Previous Page IconTo Previous Page
To Previous Page IconTo Previous Page
Loading...
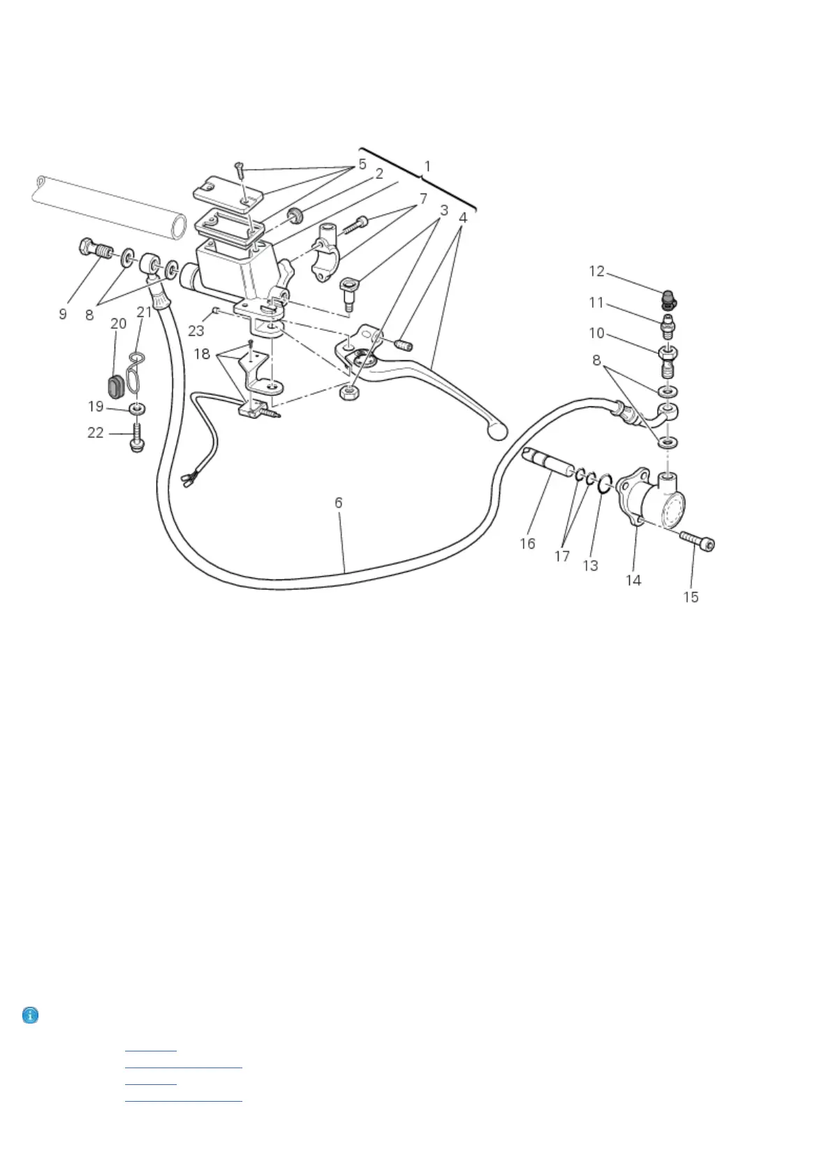
Handlebar unit: clutch lever
file:///D|/Manuales/Para%20recolocar/MOTOS/DUCATI/DUCATI/M796/wsm/EN/M796_ABS_11_7_8B.46.1.html[11/12/2015 18:40:33]
8.2 -Handlebar unit: clutch lever
1 Clutch master cylinder
2 Inspection plug (replacement part)
3 Lever pivot pin
4 Lever with grub screw
5 Fluid reservoir cover
6 Clutch hose
7 Mounting clamp
8 Sealing washer
9 Banjo bolt
10 Banjo bolt
11 Bleed valve
12 Dust cap
13 O-ring
14 Clutch transmission unit
15 Screw
16 Clutch pushrod
17 O-ring
18 Microswitch
19 Washer
20 Rubber pad
21 Guide
22 Screw
23 Rubber pad
Spare parts catalogue
796
CLUTCH
796
CLUTCH CONTROL
796 ABS
CLUTCH
796 ABS
CLUTCH CONTROL

Table of Contents

Related product manuals