EasyManua.ls Logo

Ducati Monster 796 - 6 Throttle Body

Ducati Monster 796
685 pages
Print Icon
To Next Page IconTo Next Page
To Next Page IconTo Next Page
To Previous Page IconTo Previous Page
To Previous Page IconTo Previous Page
Loading...
Throttle body
file:///D|/Manuales/Para%20recolocar/MOTOS/DUCATI/DUCATI/M796/wsm/EN/M796_ABS_11_8_6.59.1.html[11/12/2015 18:40:40]
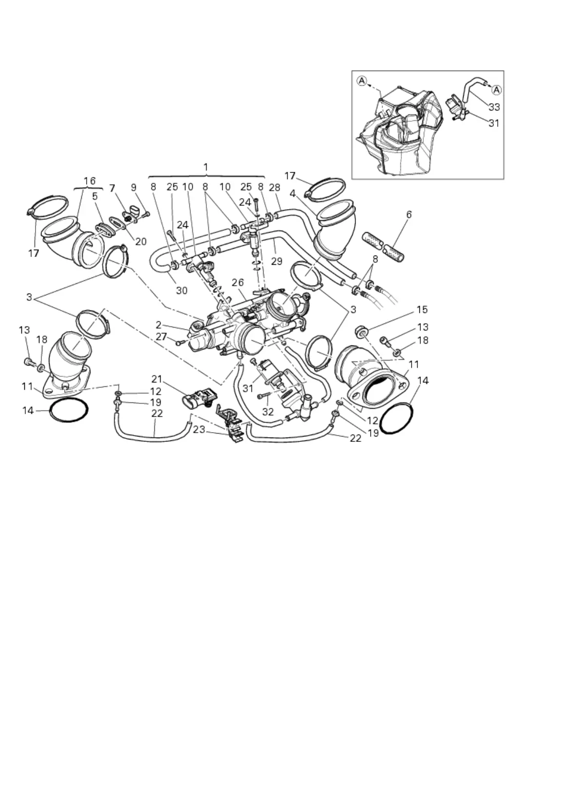
6 -Throttle body
1 Fuel system assembly
2 Throttle position sensor
3 Clamp
4 Hose
5 Rubber pad
6 Heat shrink sleeve
7 Air temperature sensor
8 Clamp
9 Screw
10 Injector
11 Intake manifold
12 Aluminium gasket
13 Screw
14 O-ring
15 Nut
16 Hose
17 Clamp
18 Washer
19 Union
20 Sealing washer
21 Pressure sensor
22 Hose
23 Sensor support
24 Washer
25 Screw
26 Throttle body assembly
27 Screw
28 Fuel feed hose
29 Fuel return hose
30 Connection hose
31 Stepper motor
32 Screw

Table of Contents

Related product manuals