EasyManua.ls Logo

Ducati Monster 796 - 15 Footrest Brackets

Ducati Monster 796
685 pages
Print Icon
To Next Page IconTo Next Page
To Next Page IconTo Next Page
To Previous Page IconTo Previous Page
To Previous Page IconTo Previous Page
Loading...
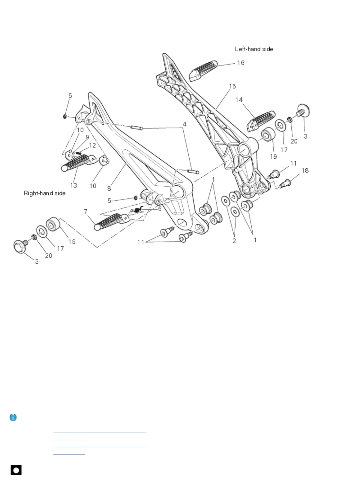
Footrest brackets
file:///D|/Manuales/Para%20recolocar/MOTOS/DUCATI/DUCATI/M796/wsm/EN/M796_ABS_11_7_15.53.1.html[11/12/2015 18:40:37]
15 -Footrest brackets
1 Vibration damper
2 Washer
3 Screw
4 Pin
5 Ring
6 Spring
7 Right front footrest
8 Right footrest bracket
9 Ball
10 Plate
11 Screw
12 Spring
13 Right rear footrest
14 Left front footrest
15 Left footrest bracket
16 Left rear footrest
17 Washer
18 Screw
19 Vibration damper
20 Circlip
Spare parts catalogue
796
GEARCHANGE LEVER - FOOTREST
796
SWINGARM
796 ABS
GEARCHANGE LEVER - FOOTREST
796 ABS
SWINGARM
Important
Bold reference numbers in this section identify parts not shown in the figures alongside the text, but which can be found in

Table of Contents

Related product manuals