EasyManua.ls Logo

Hiwin D1 - Wiring for Main Circuit

Hiwin D1
307 pages
Print Icon
To Next Page IconTo Next Page
To Next Page IconTo Next Page
To Previous Page IconTo Previous Page
To Previous Page IconTo Previous Page
Loading...
D1 Servo Drive User Manual Wiring
HIWIN MIKROSYSTEM CORP. 4-5
MD20UE01-2109
Note:
Use wiring tool to avoid electric shock when wiring.
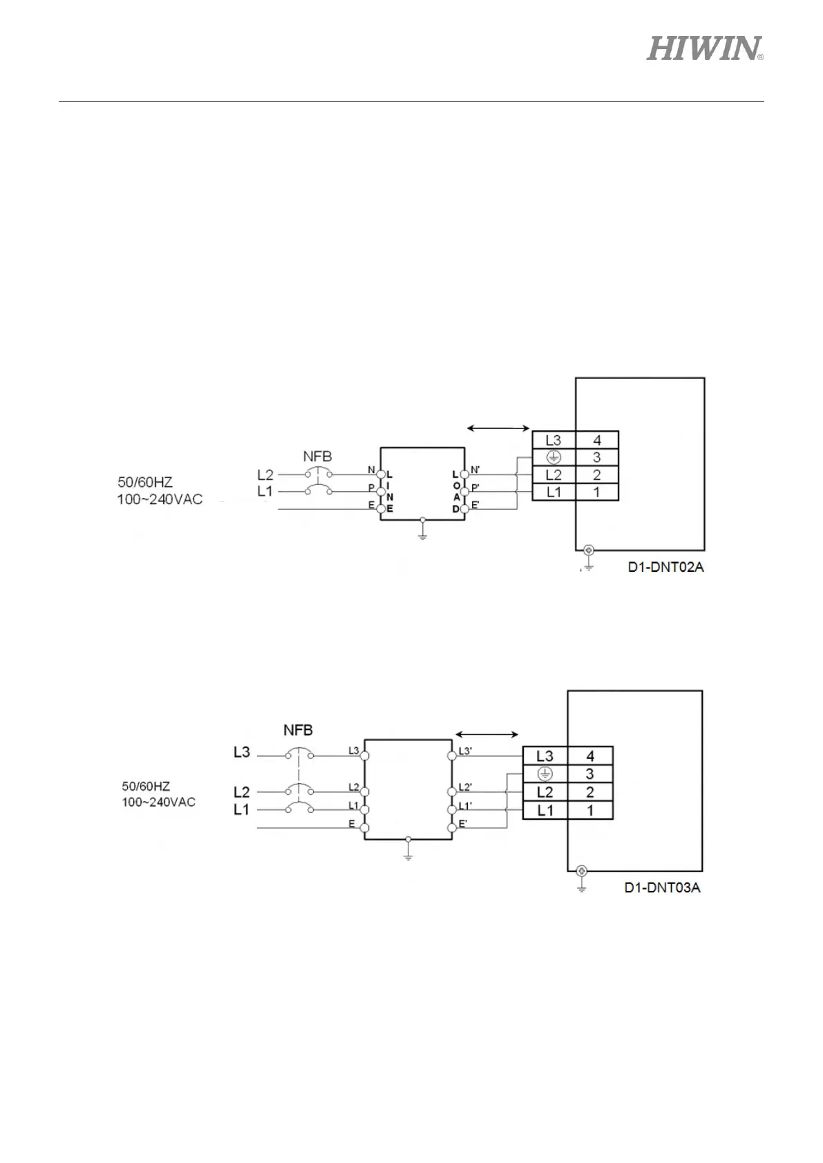
4.2 Wiring for main circuit
Ensure the servo drive is properly grounded before connecting to its main circuit.
(1) Wiring for AC power supply (Single-phase)
While selecting single-phase filter, FN2090-10-06 filter from Schaffner is suggested.
Figure4.2.1
(2) Wiring for AC power supply (Three-phase)
While selecting three-phase filter, FN3258-7-45 filter from Schaffner is suggested.
Figure4.2.2
How to select no-fuse breaker (NFB)
While using no-fuse breaker for current shunt, its rated capacity should be 1.5 to 2.5 times of the
rated current of the servo drive.
While using one servo drive: I
B
= C×I
n
While using two or more servo drives, but do not power on at the same time:
Single-phase
Power
supply
grounding
Grounding
Grounding
Power
supply
filter
The wiring between the servo drive and
the filter should not exceed 1 meter.
mega-fabs
D1 series servo
drive
Three-phase
Power
supply
grounding
Power
supply
filter
Grounding
Grounding
The wiring between the servo drive and
the filter should not exceed 1 meter.
mega-fabs
D1 series servo
drive

Table of Contents

Related product manuals