EasyManua.ls Logo

Hiwin D1 - Wiring Diagram for Encoder Feedback Pulse Output

Hiwin D1
307 pages
Print Icon
To Next Page IconTo Next Page
To Next Page IconTo Next Page
To Previous Page IconTo Previous Page
To Previous Page IconTo Previous Page
Loading...
D1 Servo Drive User Manual Wiring
HIWIN MIKROSYSTEM CORP. 4-21
MD20UE01-2109
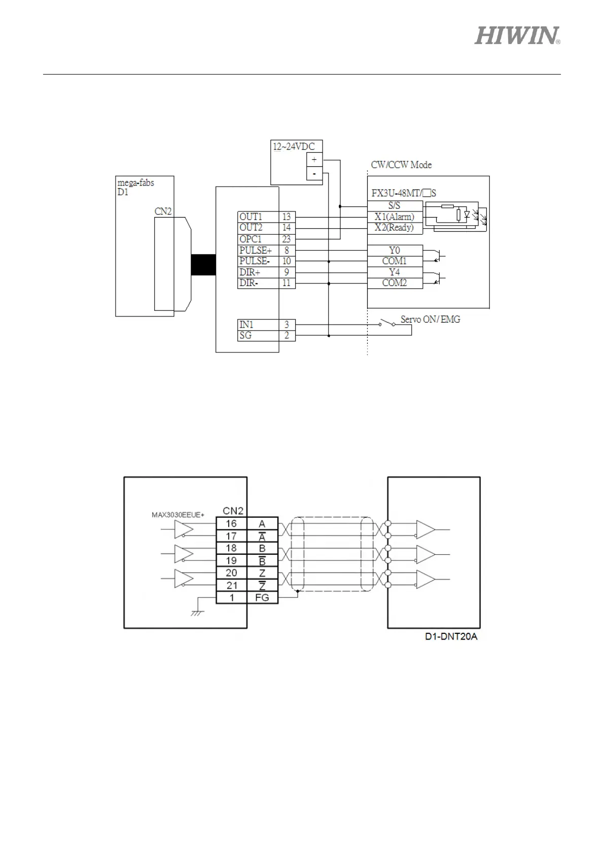
(2) In the figure below, Mitsubishi PLC FX3U-48MT/□S is used as the example for the wiring
of CW/CCW single-ended (NPN) command.
Figure4.7.3.8
4.7.4 Wiring diagram for encoder feedback pulse output
(1) Wiring example (Differential input from controller)
Figure4.7.4.1
Pulse adapter
cable (815AB3)
Power
supply
Mitsubishi
mega-fabs
D1 series servo drive
Controller

Table of Contents

Related product manuals