EasyManua.ls Logo

Hiwin D1 - Wiring Diagram for PWM Command Input

Hiwin D1
307 pages
Print Icon
To Next Page IconTo Next Page
To Next Page IconTo Next Page
To Previous Page IconTo Previous Page
To Previous Page IconTo Previous Page
Loading...
D1 Servo Drive User Manual Wiring
HIWIN MIKROSYSTEM CORP. 4-23
MD20UE01-2109
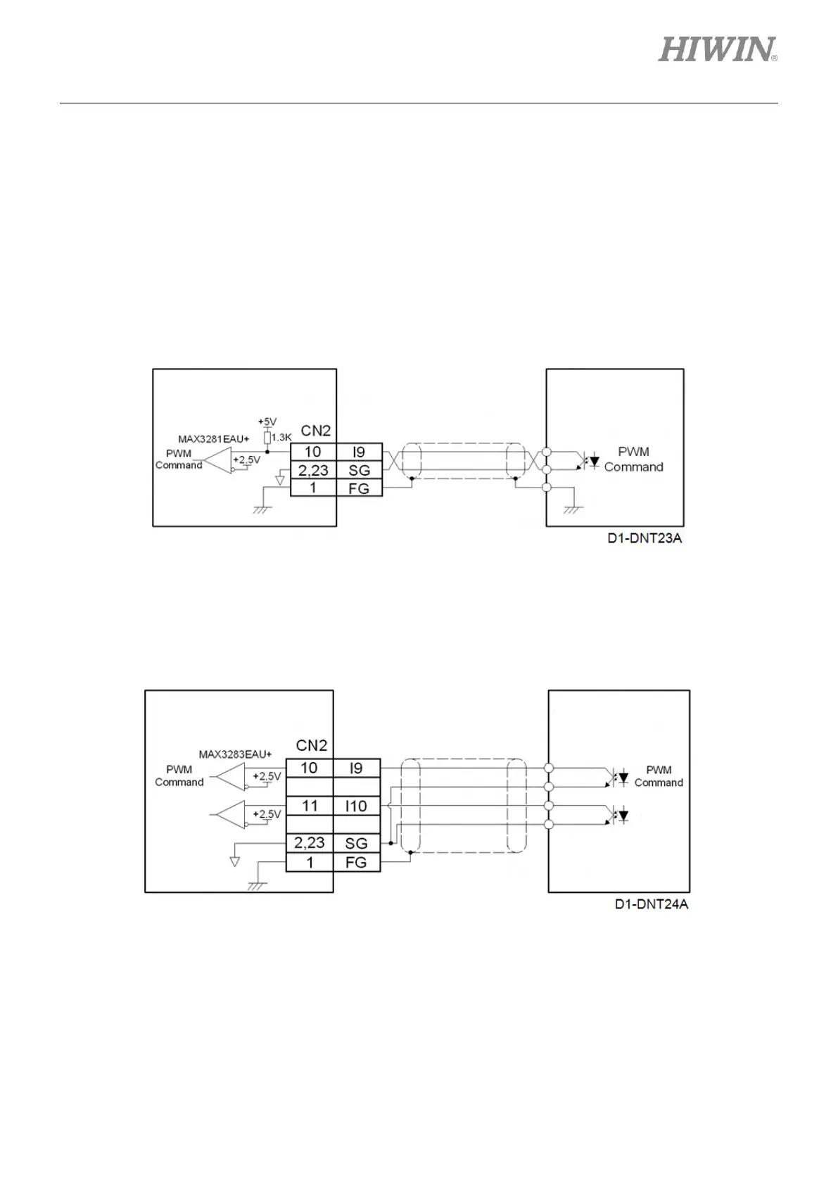
4.7.6 Wiring diagram for PWM command input
In velocity mode and force/torque mode, in addition to analog command, D1 servo drive can also receive
PWM command. Two PWM command types are supported, PWM 50% and PWM 100%. For more
information, please refer to section 5.2.4.
(1) Wiring example for PWM 50%
While using PWM 50%, I9 is used to receive PWM command and I10 has no function. Refer to the
wiring below.
Figure4.7.6.1
(2) Wiring example for PWM 100%
While using PWM 100%, I9 is used to receive PWM command and I10 is used to receive direction
command. Refer to the wiring below.
Figure4.7.6.2
mega-fabs
D1 series servo drive
Controller
mega-fabs
D1 series servo drive
Controller
Direction
Direction

Table of Contents

Related product manuals