EasyManua.ls Logo

Hiwin D1 - Wiring Diagram for Analog Command

Hiwin D1
307 pages
Print Icon
To Next Page IconTo Next Page
To Next Page IconTo Next Page
To Previous Page IconTo Previous Page
To Previous Page IconTo Previous Page
Loading...
Wiring D1 Servo Drive User Manual
4-22 HIWIN MIKROSYSTEM CORP.
MD20UE01-2109
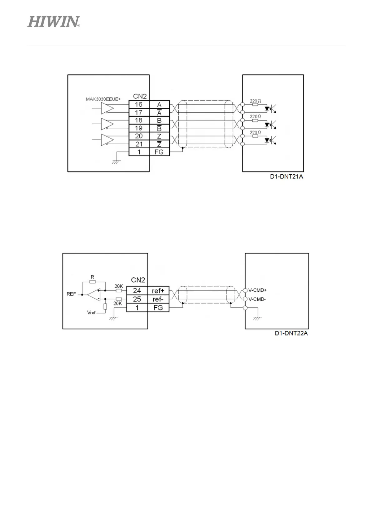
(2) Wiring example (Controller is using optical coupling.)
Figure4.7.4.2
4.7.5 Wiring diagram for analog command
The input impedance is 10 KΩ and the range of voltage command is ±10 V.
Figure4.7.5.1
mega-fabs
D1 series servo drive
Controller
mega-fabs
D1 series servo drive
Controller

Table of Contents

Related product manuals