EasyManua.ls Logo

Hiwin D1 - Page 54

Hiwin D1
307 pages
Print Icon
To Next Page IconTo Next Page
To Next Page IconTo Next Page
To Previous Page IconTo Previous Page
To Previous Page IconTo Previous Page
Loading...
Wiring D1 Servo Drive User Manual
4-12 HIWIN MIKROSYSTEM CORP.
MD20UE01-2109
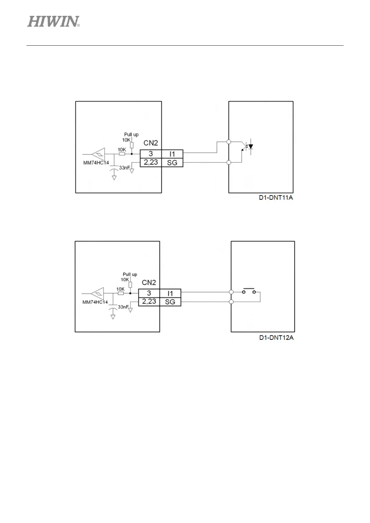
(1) The wiring example for general-purpose digital inputs (The output type of controller is sink.)
The input group should be set as pull up in Lightening.
a If the photoelectric switch in controller is using NPN transistor
Figure4.7.1.2
b If the controller is using output switch
Figure4.7.1.3
mega-fabs
D1 series servo drive
Controller
mega-fabs
D1 series servo drive
Controller

Table of Contents

Related product manuals