EasyManua.ls Logo

Lenze 8400 - Page 159

Lenze 8400
1590 pages
Print Icon
To Next Page IconTo Next Page
To Next Page IconTo Next Page
To Previous Page IconTo Previous Page
To Previous Page IconTo Previous Page
Loading...
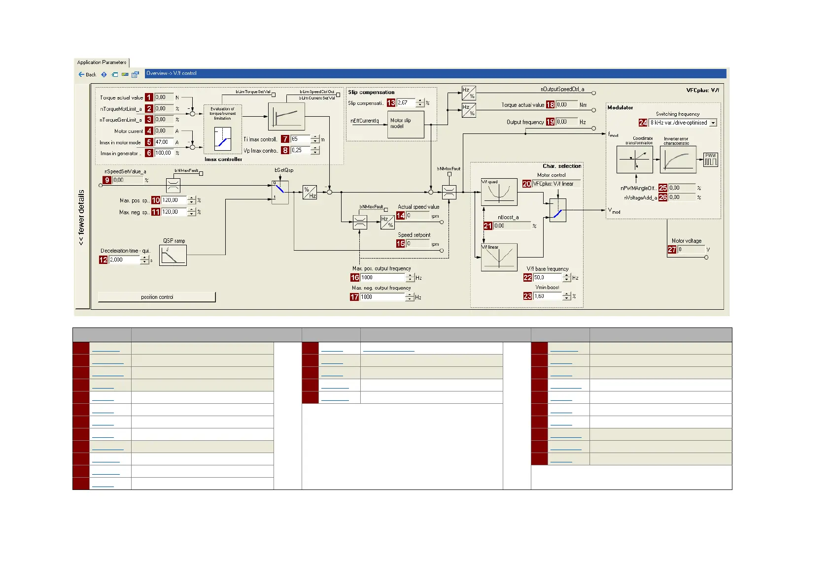
5 Motor control (MCTRL)
5.4 V/f characteristic control (VFCplus)
Lenze · 8400 HighLine · Reference manual · DMS 12.0 EN · 06/2017 · TD23 159
_ _ _ _ _ _ _ _ _ _ _ _ _ _ _ _ _ _ _ _ _ _ _ _ _ _ _ _ _ _ _ _ _ _ _ _ _ _ _ _ _ _ _ _ _ _ _ _ _ _ _ _ _ _ _ _ _ _ _ _ _ _ _ _
Parameters Info Parameters Info Parameters Info
1 C00056/2 Actual torque value 13 C00021 Slip compensation 18 C00056/2 Actual torque value
2 C00830/29 Limitation of torque in motor mode 14 C00051 Actual speed value 19 C00058 Output frequency
3 C00830/28 Limitation of torque in generator mode 15 C00050 Speed setpoint 20 C00006 Motor control
4 C00054 Motor current 16 C00910/1 Max. pos. output frequency 21 C00830/26 MCTRL: nBoost_a
5 C00022 Imax in motor mode 17 C00910/2 Max. neg. output frequency 22 C00015 V/f base frequency
6 C00023 Imax in generator mode 23 C00016 Vmin boost
7 C00074 Ti Imax controller 24 C00018 Switching frequency
8 C00073 Vp Imax controller 25 C00830/32 MCTRL: nPWMAngleOffset_a
9 C00830/22 Speed setpoint 26 C00830/31 MCTRL: nVoltageAdd_a
10 C00909/1 Max. pos. speed 27 C00052 Motor voltage
11 C00909/2 Max. neg. speed
12 C00105 Decel. time - quick stop

Table of Contents

Other manuals for Lenze 8400

Related product manuals