EasyManua.ls Logo

Lenze 8400 - Page 212

Lenze 8400
1590 pages
Print Icon
To Next Page IconTo Next Page
To Next Page IconTo Next Page
To Previous Page IconTo Previous Page
To Previous Page IconTo Previous Page
Loading...
5 Motor control (MCTRL)
5.8 Sensorless control for synchronous motors (SLPSM)
212
Lenze · 8400 HighLine · Reference manual · DMS 12.0 EN · 06/2017 · TD23
_ _ _ _ _ _ _ _ _ _ _ _ _ _ _ _ _ _ _ _ _ _ _ _ _ _ _ _ _ _ _ _ _ _ _ _ _ _ _ _ _ _ _ _ _ _ _ _ _ _ _ _ _ _ _ _ _ _ _ _ _ _ _ _
Parameters Info Parameters Info Parameters Info
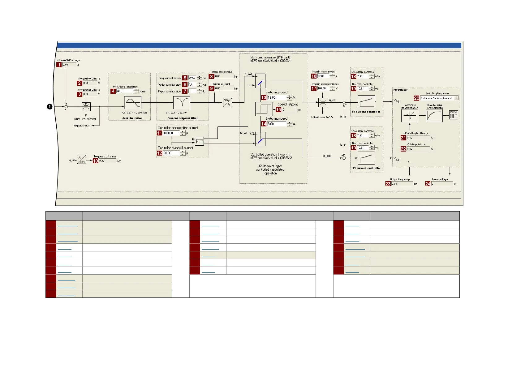
1 C00830/27 MCTRL: nTorqueSetValue_a 11 C00995/1 SLPSM: Open-loop controlled accelerating current 18 C00075 Vp current controller
2 C00830/29 Limitation of torque in motor mode 12 C00995/2 SLPSM: Open-loop controlled standstill current 19 C00076 Ti current controller
3 C00830/28 Limitation of torque in generator mode 13 C00996/1 SLPSM: Closed-loop controlled switching speed 20 C00018 Switching frequency
4 C00274 SC: Max. change in acceleration 14 C00996/2 SLPSM: Open-loop controlled switching speed 21 C00830/32 MCTRL: nPWMAngleOffset_a
5 C00270 SC: Freq. current setpoint filter 15 C00050 Speed setpoint 22 C00830/31 MCTRL: nVoltageAdd_a
6 C00271 SC: Current setpoint filter width 16 C00022 Imax in motor mode 23 C00058 Output frequency
7 C00272 SC: Current setpoint filter depth 17 C00023 Imax in generator mode 24 C00052 Motor voltage
8 C00056/2 Actual torque value
9 C00056/1 Torque demand
10 C00056/2 Actual torque value

Table of Contents

Other manuals for Lenze 8400

Related product manuals