EasyManua.ls Logo

Suzuki Wagon R Plus RB310 - Page 799

Suzuki Wagon R Plus RB310
846 pages
Print Icon
To Next Page IconTo Next Page
To Next Page IconTo Next Page
To Previous Page IconTo Previous Page
To Previous Page IconTo Previous Page
Loading...
7F-2 REAR DIFFERENTIAL
General Description
The rear differential assembly for 4WD model uses a hypoid bevel pinion and gear.
The differential assembly is decisive in that the drive power is concentrated there. Therefore, use of genuine
parts and specified torque is compulsory. Further, because of sliding tooth meshing with high pressure between
bevel pinion and gear, it is mandatory to lubricate them by hypoid gear oil.
The hypoid gears have an advantage of preventing gear noise, at the same time, they require accurate adjust-
ment of tooth contract and backlash.
Differential Unit
DISMOUNTING
1) Hoist vehicle and remove wheels.
2) Drain differential oil referring to Rear Differential Gear Oil
Change in this section.
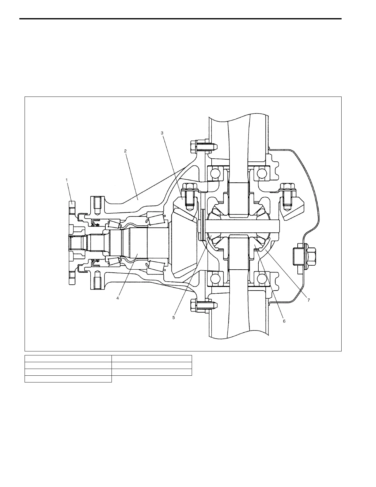
1. Companion flange 5. Differential pinion
2. Differential carrier 6. Differential side gear
3. Drive bevel gear (hypoid gear) 7. Differential case
4. Drive bevel pinion (hypoid gear)

Table of Contents

Related product manuals