EasyManua.ls Logo

Xerox VersaLink B7035

Xerox VersaLink B7035
1341 pages
To Next Page IconTo Next Page
To Next Page IconTo Next Page
To Previous Page IconTo Previous Page
To Previous Page IconTo Previous Page
Loading...
April 2017
7-61
Xerox® VersaLink® B7025/B7030/B7035 Multifunction Printer
Block Schematic Diagrams (BSDs)
Wiring Data
Launch Issue
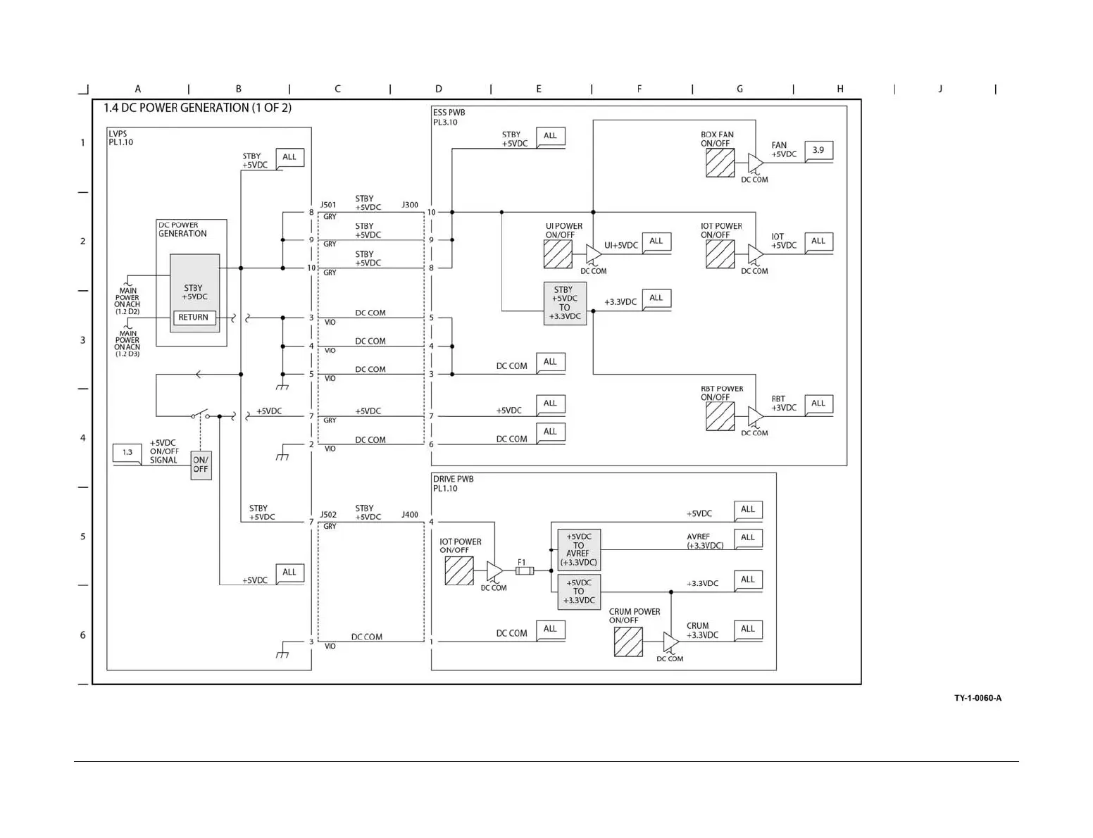
BSD 1.4 DC Power Generation (1 of 2)
Figure 5 BSD 1.4

Table of Contents

Other manuals for Xerox VersaLink B7035

Related product manuals