EasyManua.ls Logo

Xerox VersaLink B7035 - 5.35 DADF Feeder Rear Frame

Xerox VersaLink B7035
1341 pages
Print Icon
To Next Page IconTo Next Page
To Next Page IconTo Next Page
To Previous Page IconTo Previous Page
To Previous Page IconTo Previous Page
Loading...
April 2017
5-15
Xerox® VersaLink® B7025/B7030/B7035 Multifunction Printer
PL 5.35
Parts Lists
Launch Issue
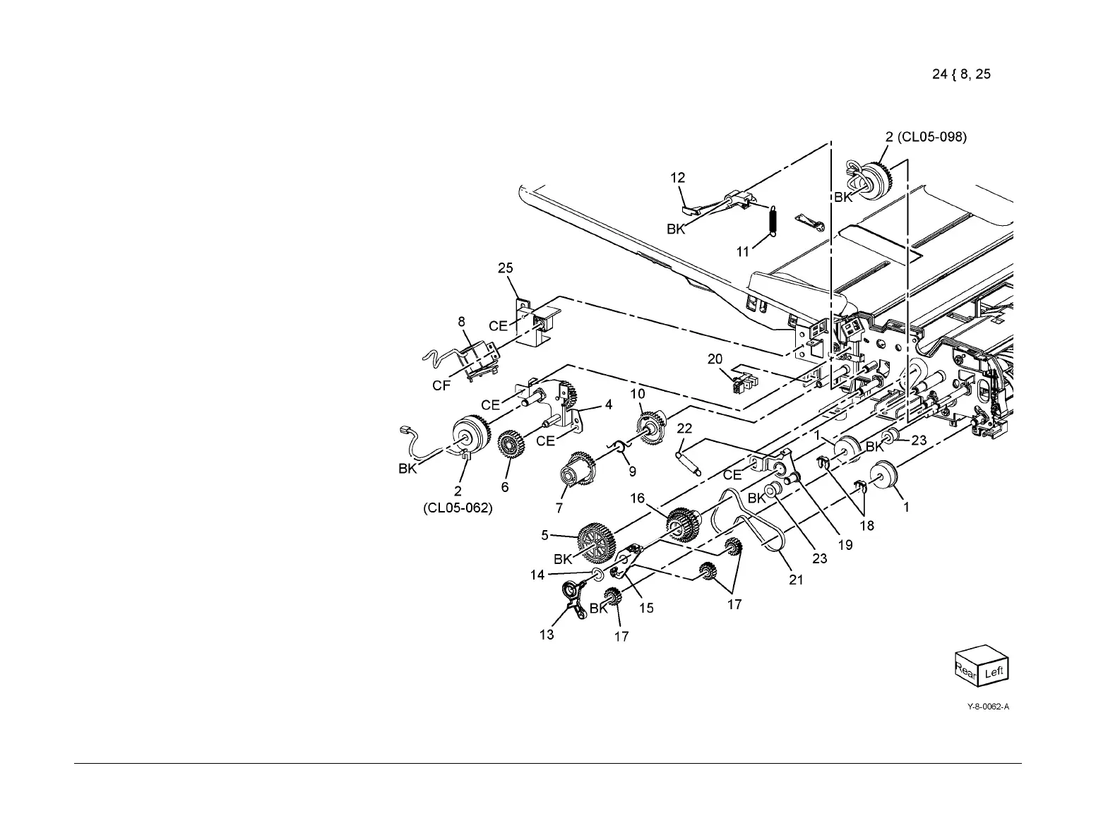
PL 5.35 DADF Feeder Rear Frame
Item Part Description
1 Registration pulley (Not Spared)
2 121K52310 DADF feed clutch (CL05-062)/
takeaway clutch (CL05-098)
3 Not used
4 Clutch gear bracket assembly (Not
Spared)
5 Exit gear (Not Spared)
6 Exit gear idler (Not Spared)
7 Lock gear (Not Spared)
8 Exit nip release solenoid (SOL05-
072) (P/O PL 5.35 Item 23)
9 Gear cam spring (Not Spared)
10 Cam gear (Not Spared)
11 Link invert spring (Not Spared)
12 Set link (Not Spared)
13 Stopper link (Not Spared)
14 Idler spring (Not Spared)
15 Idler gear bracket (Not Spared)
16 Gear pulley (Not Spared)
17 Gear idler T17 (Not Spared)
18 KL ring (Not Spared)
19 Tension bracket assembly (Not
Spared)
20 930W00121 DADF home position sensor (S05-
234)
21 DADF drive belt (REP 5.13)
22 Tension spring (Not Spared)
23 Roller (Not Spared)
24 121K57710 Nip release solenoid assembly
25 Solenoid bracket (P/O PL 5.35 Item
23)

Table of Contents

Other manuals for Xerox VersaLink B7035

Related product manuals