EasyManua.ls Logo

BST ekrPro Com60 - D 1 To open the set-up menu; D 2 Default settings; D 3 Commissioning example; D 4 Connection diagram; Plug assignments

BST ekrPro Com60
163 pages
Print Icon
To Next Page IconTo Next Page
To Next Page IconTo Next Page
To Previous Page IconTo Previous Page
To Previous Page IconTo Previous Page
Loading...
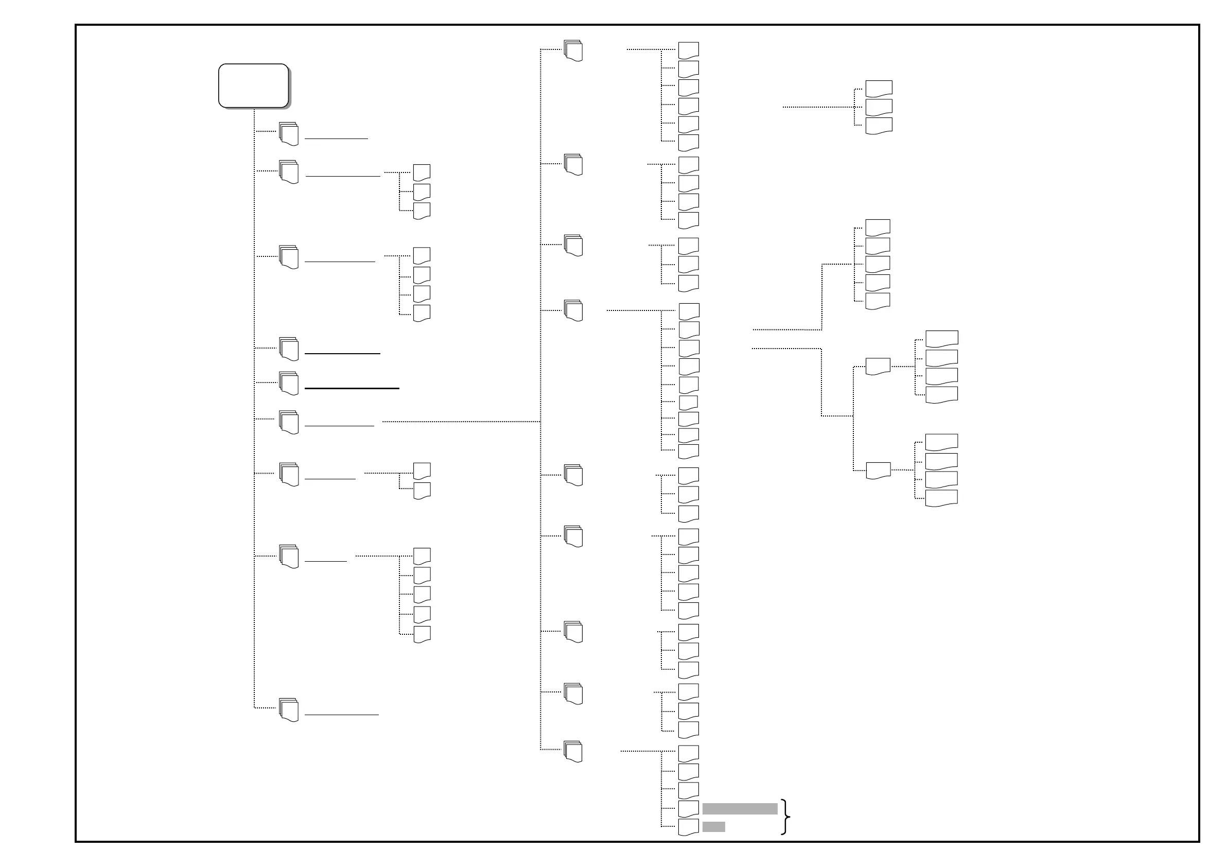
Appendix D 1 System overview
EDV-No.: MD.191.01.05/1.6.x
Issue: 23.11.2007
O
t. Lo
ic
7
Params 1
71
Params 2
72
Chan
g
e Use
r
1
Fieldbus
Status
81
Profibus
82
DeviceNet
83
Monito
r
84
CanOPEN
85
Remote Device
9
Material Setu
p
3
Sensor 1
31
Sensor 2
32
Sensor 3
33
Man. Sens. 3
34
Sel. Std. System
4
General Setu
p
6
Save/Load Settings
5
Actuator
61
Type (EMS&Hydr.)
6
11
Direction
613
Hydraulics Add-on
612
SC-Transducer
614
Man Pos. control
615
Man Speed
616
Type & Dir.
6141
Pos. Limit
6142
SC W & XP
6143
Sensors/EFE
62
Sensor 1
621
Sensor 2
622
Sensor 3
623
EFE Remote Ad
j
.
624
Control Loop
63
Gain & Offset
631
Adj. done Limits
632
FVG
64
Norming mode
645
Connection
641
Int. FVG
642
Width adjust.
646
Repositioning
647
648
V
elocities
649
S
p
ecial
FVGPro
643
Edge Sources
66
Edge 3
663
Edge 1
661
Edge 2
662
Src. SC
664
Src. EFE
665
Dig. IO Config.
68
Inputs
682
Outputs
683
Configure
681
Special
69
Change Pwd.
691
Dev. Confi
g
.
692
Reset
693
Watchdog Test
694
Add. Functions
67
Tear Off Det.
671
Osc. Mode
672
Retract Mode
644
Width Measure
65
Ref. Width
651
Limits
652
O
p
modes
553
Osc. Params
673
Homing Dir.
6421
Offset 1
6422
Offset 2
6423
Range
6424
Feed
6425
Slide 1
6431
Homing Direction
Offset
Range
64313
Feed
64314
64311
64312
Slide 2
6432
8
Key
„Menu“
MENU
Homing Direction
Offset
Range
64323
Feed
64324
64321
64322
Tear Off Det.
Osc. Mode
Osc. Params
Add. Functions
2
21
22
23
Test
695
Speed control
633
Fo
r
BST support only!

Table of Contents

Related product manuals