EasyManua.ls Logo

Fujitsu PRIMERGY RX2530 M4

Fujitsu PRIMERGY RX2530 M4
470 pages
To Next Page IconTo Next Page
To Next Page IconTo Next Page
To Previous Page IconTo Previous Page
To Previous Page IconTo Previous Page
Loading...
RX2530 M4 Upgrade and Maintenance Manual 415
Appendix A
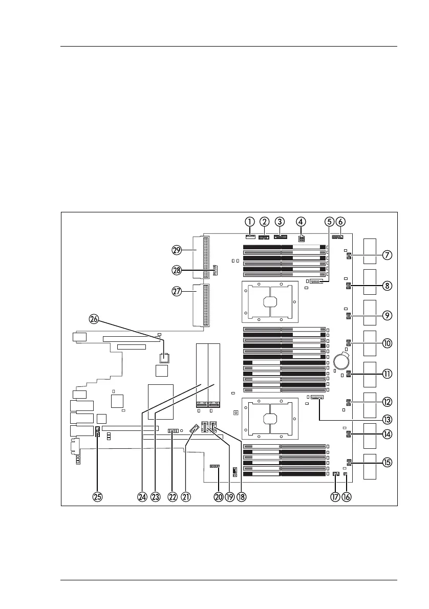
17.2 Connectors and indicators
17.2.1 Connectors and indicators on the system board
I There are two variants of the system board:
D3383-A
D3383-C (only for 10x 2.5-inch HDDs)
17.2.1.1 Onboard connectors
Figure 312: Internal connectors of the system board D3383-A
iRMC
S5
external connectors
INDICATE
CSS
TPM
USB 3.0
Shared
LAN 1
Slot riser card / slot 1 and 2 (CPU 1)
Battery
JP3
SATA
0-3
Front
Panel1
Front VGA
FAN 9/10
SYS
FAN
7/8
SYS
FAN 5/6
SYS
FAN 3/4
SYS
FAN 1/2
SYS
USB 3.0
Slot riser card / slot 3 (CPU 1)
Slot riser card / slot 4 (CPU 2)
Slot 3
SERIAL
Slot 2
Slot 1
Slot 4
CPU 1 DIMM 1C
CPU 1 DIMM 2C
CPU 1 DIMM 1B
CPU 1 DIMM 2B
CPU 1 DIMM 1A
CPU 1 DIMM 2A
FAN 13/14
SYS
PWR2
OOB
Front USB3.0
HDD
PWR3
Micro
SATA
4-7
SATA
ODD
Internal
USB3.0
PSU1
PSU2
JP2
JP1
1
12
Slot OCP module
SD
CPU 2 DIMM 2J
CPU 2 DIMM 1H
CPU 2 DIMM 1G
CPU 2 DIMM 2G
CPU 2 DIMM 1J
CPU 2 DIMM 2H
CPU 2 DIMM 1K
CPU 2 DIMM 2L
CPU 2 DIMM 2M
CPU 2 DIMM 1M
CPU 2 DIMM 2K
CPU 2 DIMM 1L
CPU 1 DIMM 2D
CPU 1 DIMM 1D
CPU 1 DIMM 2E
CPU 1 DIMM 1E
CPU 1 DIMM 2F
CPU 1 DIMM 1F
LC2
FAN 15/16
SYS
FAN 11/12
SYS
LC1
CPU 2
CPU 1
VGA
Management
LAN
LAN 2
M.2
SSD1
M.2
SSD2
ROC
HDD LED
FAN
11/12
FAN
9/10
FAN
7/8
FAN
5/6
FAN
3/4
FAN
1/2
FAN
13/14
FAN
15/16

Table of Contents

Other manuals for Fujitsu PRIMERGY RX2530 M4

Related product manuals