EasyManua.ls Logo

Mold-Masters Hot Runner - System with Hydraulic or Pneumatic Units

Mold-Masters Hot Runner
319 pages
Print Icon
To Next Page IconTo Next Page
To Next Page IconTo Next Page
To Previous Page IconTo Previous Page
To Previous Page IconTo Previous Page
Loading...
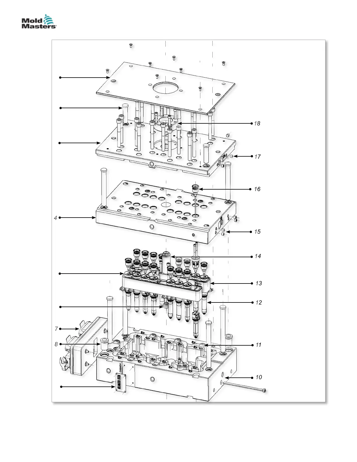
4.5.2 System With Hydraulic or Pneumatic Units
Figure 4-4 Hydraulic or pneumatic units
1
18
2
3
17
16
4
15
14
5
13
6
10
7
8
12
9
11
1. Insulation board
2. Leader pins
3. Top clamp plate
4. Hydraulic plate
5. Valve disks
6. Manifold locator
7. Electrical box
8. Leader bushing
9. Name plate
10. Manifold plate
11. Wire retainer
12. Nozzle
13. Manifold
14. Inlet extension
15. Pipe plugs
16. Hydraulic /
pneumatic actuators
17. Jiy plugs
18. Locating ring
4-5PREPARATION
Hot Runner User Manual
© 2020 Mold-Masters (2007) Limited. All Rights Reserved.

Table of Contents

Other manuals for Mold-Masters Hot Runner

Related product manuals