EasyManua.ls Logo

Omron RX Series - Wiring; Standard Connection Diagram

Omron RX Series
688 pages
Print Icon
To Next Page IconTo Next Page
To Next Page IconTo Next Page
To Previous Page IconTo Previous Page
To Previous Page IconTo Previous Page
Loading...
2 Design
2 - 14
High-function General-purpose Inverter 3G3RX-V1 User’s Manual (I578-E1)
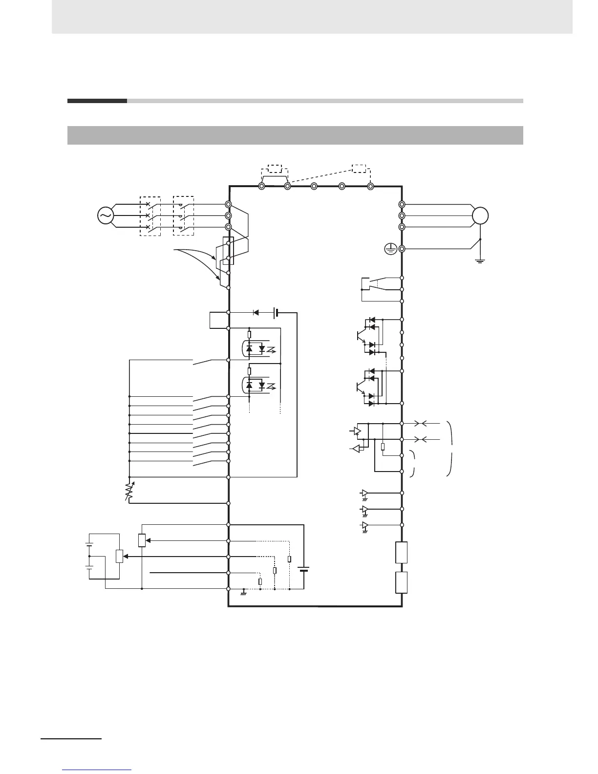
2-3 Wiring
*1 Variable volume adjuster (2 kΩ 1/4 W or larger recommended)
2-3-1 Standard Connection Diagram
DC reactor
(option)
3-phase 200 VAC
3-phase 400 VAC
Frequency reference power supply
Frequency setting
unit 500 to 2 kΩ
Frequency reference input (voltage)
Frequency reference input (current)
Frequency reference common
Sequence input common
M
R/L1
+1
P/+2
Braking resistor
(option)
RB
N/–
T/L3
R
T
Ro
To
S/L2
U/T1
W/T3
MB
MA
MC
P2
Multi-function output 2
P3
Multi-function output 3
P4
Multi-function output 4
P5
Multi-function output 5
PC
RS+
RS–
RP
RS–
AM
AMI
MP
Option 1
Option 2
Multi-function output common
Multi-function analog output
(voltage output)
Multi-function analog output
(current output)
Multi-function digital output
(PWM output)
P1
Multi-function output 1
Multi-function relay output
Multi-function relay output
common
V/T2
S1
FW
P24
PSC
S4
SC
Thermistor
TH
FS
FI
FC
FV
Frequency reference auxiliary input (voltage)
FE
S3
S2
S5
For termination resistors
RS485 communication
S6
S7
S8
Short-circuit wire
Control circuit
power supply
J51
10 VDC
10 kΩ
10 kΩ
100 Ω
Multi-function input 1
Multi-function input 2
Multi-function input 3
Multi-function input 4
Multi-function input 5
Multi-function input 6
Multi-function input 7
Multi-function input 8
24 VDC
100 Ω
MC
MCCB
Forward rotation command
Internal 24 VDC
Multi-function common
*1
*1
*1
To wire the control circuit
power supply and main circuit
power supply separately, be
sure to remove the J51
connector wire first.
(Refer to page 2-42.)

Table of Contents

Related product manuals