EasyManua.ls Logo

SATO CL4NX Plus - Page 620

SATO CL4NX Plus
801 pages
Print Icon
To Next Page IconTo Next Page
To Next Page IconTo Next Page
To Previous Page IconTo Previous Page
To Previous Page IconTo Previous Page
Loading...
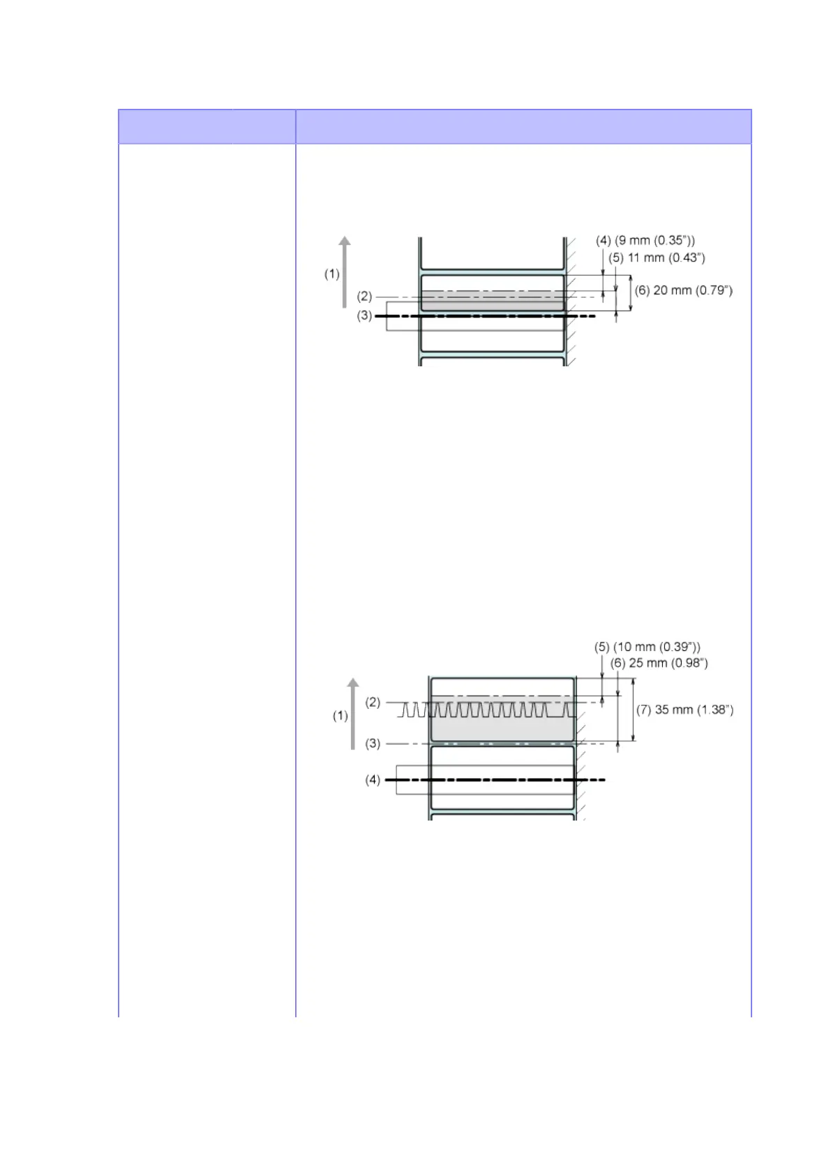
Basic Specifications of the Barcode Check Function
620
Item Specification
Continuous mode
Barcodes printed within the range of 11 mm (0.43") from the trailing
end of the label cannot be read because it is blocked by the print
head and ribbon adjustment plate.
(1) Media feed direction
(2) Ribbon adjustment plate
(3) Print head
(4) Readable area (for the minimum media pitch)
(5) Unreadable area
(6) Minimum media pitch
Cutter/Cut & Print mode
Barcodes printed within the following area cannot be read because it
is blocked by the cutter cover.
Cutter (cutting every label): 25 mm (0.98") from the trailing end of
the label
(1) Media feed direction
(2) Cutter cover
(3) Cut position
(4) Print head
(5) Readable area (for the minimum media pitch)
(6) Unreadable area
(7) Minimum media pitch
Cutter (cutting according to the specified number of labels)/ Cut &
Print: 44 mm (1.73") from the trailing end of the label

Table of Contents

Other manuals for SATO CL4NX Plus

Related product manuals