EasyManua.ls Logo

Daedong DSC48 - Cooling System; Flow of Cooling Water; Water Pump

Daedong DSC48
290 pages
Print Icon
To Next Page IconTo Next Page
To Next Page IconTo Next Page
To Previous Page IconTo Previous Page
To Previous Page IconTo Previous Page
Loading...
Apr. 2007
2
-11
DSC48
417W220A
417W221A
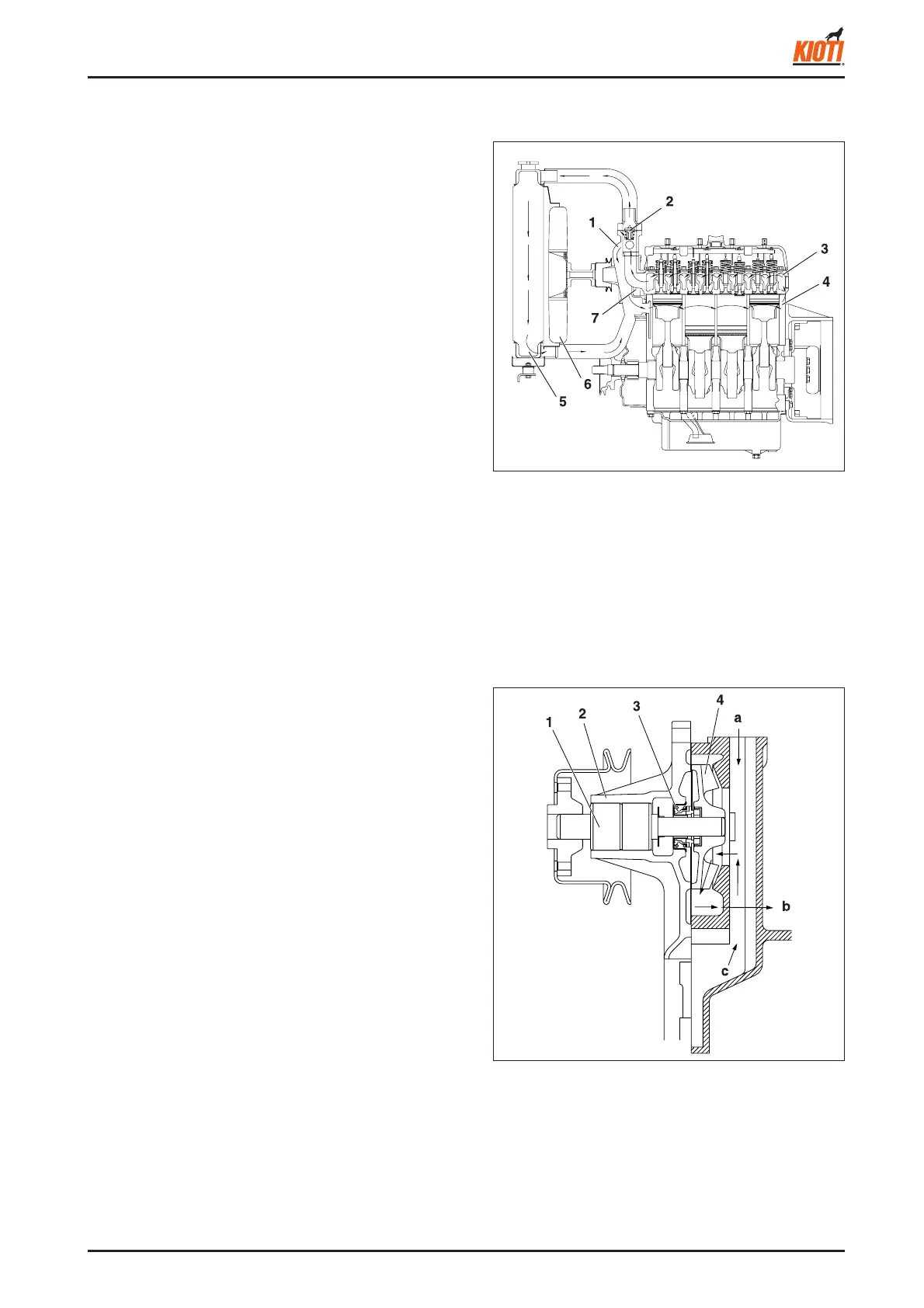
2.3 COOLING SYSTEM
(1) Water return pipe
(2) Thermostat
(3) Cylinder head water jacket
(4) Cylinder block water jacket
(5) Radiator
(6) Cooling fan
(7) Water pump
(1) Bearing (3) Mechanical seal
(2) Pump body (4) Pump impeller
(a) From thermostat
(b) To cylinder block
(c) From radiator
2.3.1 FLOW OF COOLING WATER
The cooling system consists of the radiator (5), water pump
(7), cooling fan (6), and thermostat (2). Water is cooled as
it ows through the radiator tube, and the cooling fan be-
hind the radiator pulls the cooling air through the radiator
core. The water pump receives water from the radiator and
forces it into the cylinder block. The thermostat opens or
closes according to the water temperature. When the wa-
ter temperature is high, the thermostat opens to allow the
water to ow from the cylinder block to the radiator. When
the water temperature is low, the thermostat closes only to
send water to the water pump. The opening temperature of
the thermostat is approx. 71°C (160°F).
2.3.2 WATER PUMP
The water pump is driven with the cooling fan drive pulley,
which is driven by the crankshaft with a belt. The water
pump draws the cooled water, forces it into the cylinder
block and draws out the hot water to the radiator repeat-
edly. The mechanical seal (3) prevent the water from enter-
ing the bearing (1).

Table of Contents

Related product manuals