EasyManua.ls Logo

Daedong DSC48 - Intake and Exhaust System; Air Cleaner; Flow of Intake Air and Exhaust Gas; Muffler

Daedong DSC48
290 pages
Print Icon
To Next Page IconTo Next Page
To Next Page IconTo Next Page
To Previous Page IconTo Previous Page
To Previous Page IconTo Previous Page
Loading...
2
-20
Apr. 2007
DSC48
2
1
C
9
8
7
6
4
5
3
a
b
417W238A
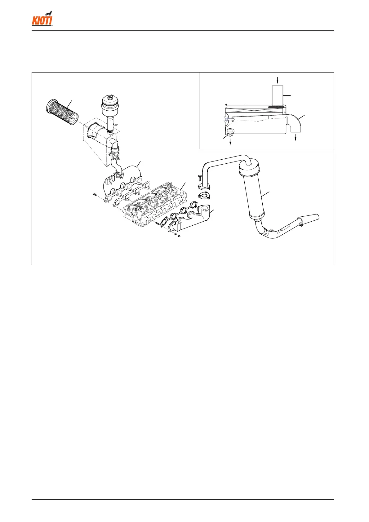
2.5 INTAKE AND EXHAUST SYSTEM
2.5.1 FLOW OF INTAKE AIR AND EXHAUST GAS
2.5.2 AIR CLEANER
The air cleaner is a dry-cyclone type and easy to maintain.
The air from the inlet port (2) circulates along the air clean-
er element and the heavier dust is carried to the evacuator
(10), where the dust exits the port. The ne dust in the air
is ltered with the air cleaner element (8). The ltered air
ows to the outlet port (6).
2.5.3 MUFFLER
The exhaust noises are absorbed, while the gases are
passed through a series of holes on the inner tube and
glass wool of the muf er.
(a) Intake air
(b) To inlet manifold
(c) Heavy dust
(1) Inlet manifold
(2) Air cleaner
(3) Cylinder head
(4) Muf er
(5) Exhaust manifold
(6) Outlet port
(7) Inlet port
(8) Air cleaner element
(9) Evacuator

Table of Contents

Related product manuals