EasyManua.ls Logo

Mazda Mazda6 - Dtc P0661

Mazda Mazda6
909 pages
Print Icon
To Next Page IconTo Next Page
To Next Page IconTo Next Page
To Previous Page IconTo Previous Page
To Previous Page IconTo Previous Page
Loading...
F2156
ON-BOARD DIAGNOSTIC
DTC P0661
A6E407001082241
Diagnostic procedure
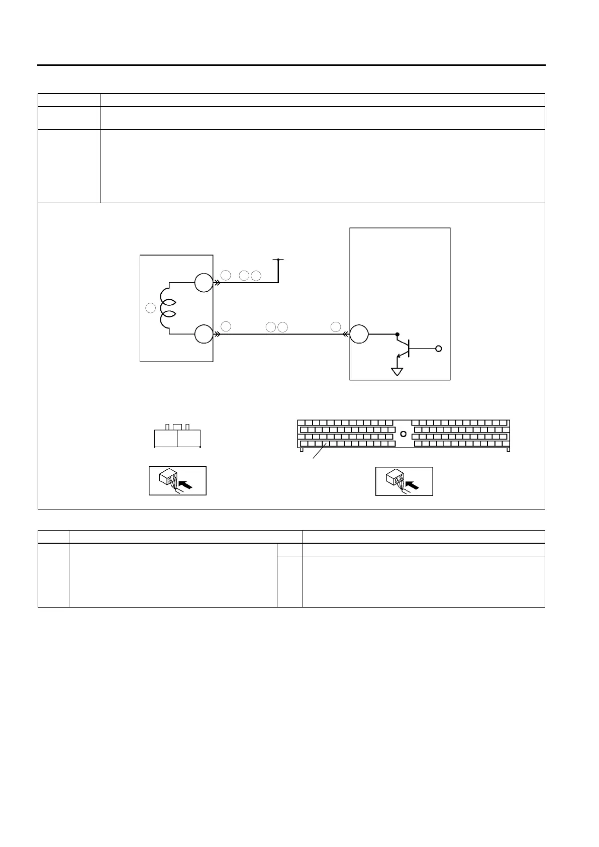
DTC P0661 VSC solenoid valve circuit low input
DETECTION
CONDITION
PCM monitors input voltage from VSC solenoid valve while engine is running. If input voltage from VSC
solenoid valve is below 0.1 V, PCM determines suction control valve circuit low input.
POSSIBLE
CAUSE
VSC solenoid valve malfunction
Connector or terminal malfunction
Short to GND in wiring between VSC solenoid valve terminal A and PCM control relay terminal C
Short to GND in wiring between VSC solenoid valve terminal B and PCM terminal 101
Open circuit in wiring between VSC solenoid valve terminal PCM control relay terminal C
Open circuit in wiring between VSC solenoid valve terminal B and PCM terminal 101
PCM malfunction
STEP INSPECTION ACTION
1 PERFORM DTC CONFIRMATION PROCEDURE
Perform DTC Confirmation Procedure.
(See F285 DTC CONFIRMATION
PROCEDURE)
Is same DTC present during KOEO or KOER
self-test?
Yes Go to next step.
No Intermittent concern exists. Go to Intermittent Concern
Troubleshooting.
(See F2227 INTERMITTENT CONCERN
TROUBLESHOOTING)
A
B
VSC SOLENOID VALVE
PCM
101
AB
3
6
3
2
6
5
101
4
2
PCM CONTROL RELAY
TERMINAL C
VSC SOLENOID VALVE
HARNESS SIDE CONNECTOR
PCM
HARNESS SIDE CONNECTOR

Table of Contents

Related product manuals