EasyManua.ls Logo

Mazda Mazda6 - Automatic Transaxle Control System Wiring Diagram

Mazda Mazda6
909 pages
Print Icon
To Next Page IconTo Next Page
To Next Page IconTo Next Page
To Previous Page IconTo Previous Page
To Previous Page IconTo Previous Page
Loading...
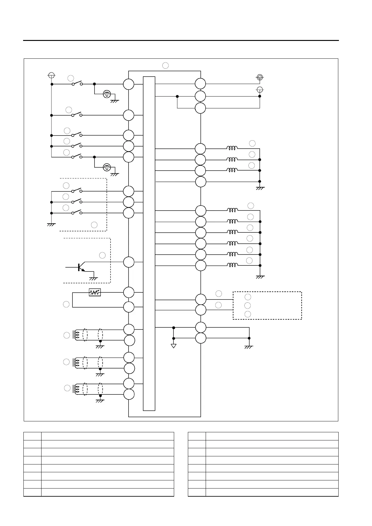
K210
AUTOMATIC TRANSAXLE
AUTOMATIC TRANSAXLE CONTROL SYSTEM WIRING DIAGRAM
A6E571401030204
.
1W
1P
2P
2S
2T
2X
2G
2D
2J
2M
1C
1Y
2W
2Z
2Y
2V
2U
1Z
1T
2B
1U
2C
1S
1H
1F
1B
1M
1V
1N
2F
1K
1X
1AA
2AA
9
8
7
5
4
3
1
2
10
19
18
17
15
16
14
13
11
12
20
6
29
28
27
25
26
24
23
21
22
A6E5714W008
1TCM
2 R position (TR switch)
3 D range (TR switch)
4 N position (TR switch)
5 P position (TR switch)
6 Brake switch
7 M range switch
8 Up switch
9 Down switch
10 Selector lever
11 Cruise control module (In cruise actuator)
12 TFT sensor
13 VSS
14 Input/turbine speed sensor
15 Intermediate sensor
16 Pressure control solenoid

Table of Contents

Related product manuals