EasyManua.ls Logo

Mazda Mazda6 - Page 738

Mazda Mazda6
909 pages
Print Icon
To Next Page IconTo Next Page
To Next Page IconTo Next Page
To Previous Page IconTo Previous Page
To Previous Page IconTo Previous Page
Loading...
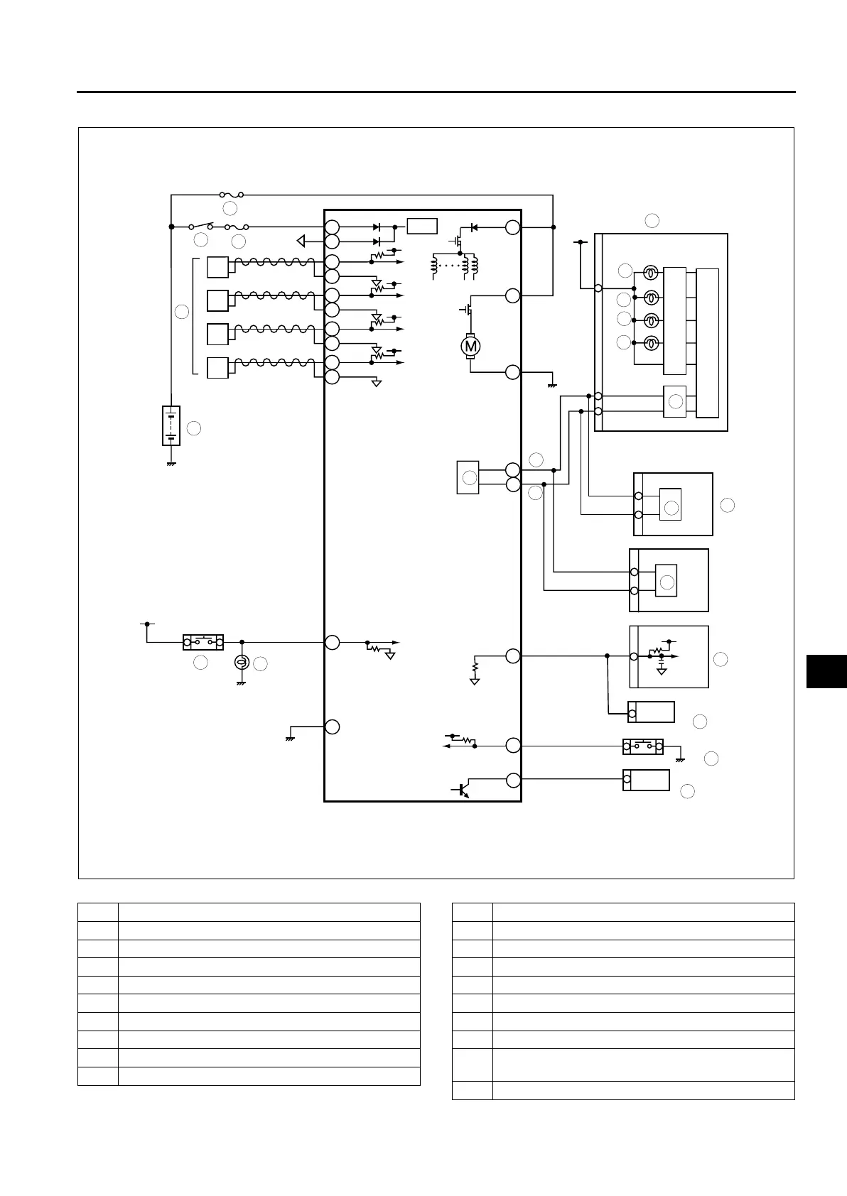
ABS/TCS
P5
P
System Diagram
.
End Of Sie
9
9
8
7
5
4
3
1
2
6
18
17
15
16
14
13
11
12
RF
FL
RR
RL
PCM
G
E
F
I
Z
U
D
A
B
C
Y
AC
X
V
O
R
AD
AB
AA
ABS/TCS HU/CM
p
P
9
10
19
9
20
A6E6921W201
1 IG switch
2SUS 15 A fuse
3 ABS 60 A fuse
4 Meter
5 ABS warning light
6 Brake system warning light
7 TCS OFF light
8 TCS indicator light
9CAN driver
10 Brake light
11 Cruise actuator
12 TCS OFF switch
13 DLC-2
14 CAN-H
15 CAN-L
16 ABS Wheel-speed sensor
17 Battery
18 Brake switch
19 Audio unit, Wiper and washer switch, Car-navigation
unit, Auto leveling control unit
20 TCM, 4WD CM

Table of Contents

Related product manuals