EasyManua.ls Logo

PIAGGIO Beverly 300 i.e. - Cylinder Head Assy Diagram

PIAGGIO Beverly 300 i.e.
338 pages
Print Icon
To Next Page IconTo Next Page
To Next Page IconTo Next Page
To Previous Page IconTo Previous Page
To Previous Page IconTo Previous Page
Loading...
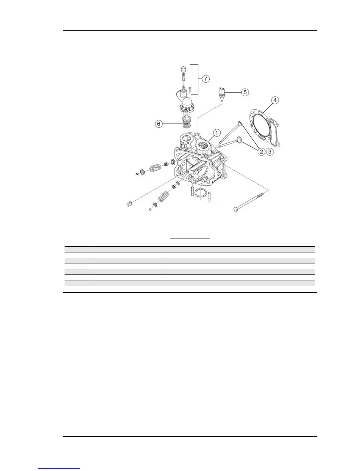
Cylinder head assy.
VALVE HEAD
Code
Action Duration
1 001126 Head - Replacement
2 001045 Valves - Replacement
3 001049 Valves - adjust
4 001056 Head gasket - change
5 000235 Coolant temperature sensor - Repl.
6 001057 Thermostat - Replacement
7 007012 Coolant bleed valve - Replacement
Beverly 300 i.e. Time
TIME - 289

Table of Contents

Related product manuals