EasyManua.ls Logo

PIAGGIO Beverly 300 i.e. - Starter Motor Schematic Diagram

PIAGGIO Beverly 300 i.e.
338 pages
Print Icon
To Next Page IconTo Next Page
To Next Page IconTo Next Page
To Previous Page IconTo Previous Page
To Previous Page IconTo Previous Page
Loading...
- Start the engine and rev it up to a high engine speed while reading the value on the pincer.
With an efficient battery a value must be detected: > 20A
VOLTAGE REGULATOR/RECTIFIER
Specification Desc./Quantity
Type Non-adjustable three-phase transistor
Voltage 14 to 15V at 5000 rpm with lights off
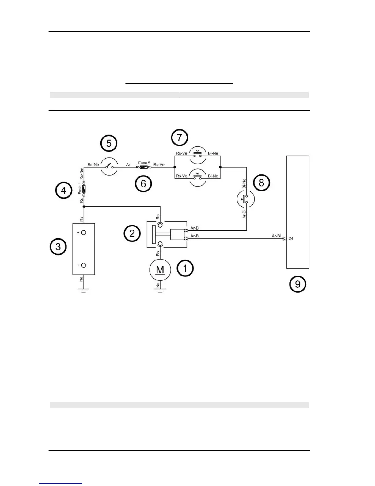
Starter motor
KEY
1. Starter motor
2. Starter relay
3. Battery
4. Fuse No. 1
5. Ignition switch contacts
6. Fuse No. 5
7. Stop buttons
8. Starter button
9. Injection ECU
WARNING
ALL CONTINUITY TESTS MUST BE CARRIED OUT WITH THE CORRESPONDING CONNECTORS
DISCONNECTED.
1) Check if there is continuity of the Red cable connecting the battery, the start-up solenoid and the
starter motor.
Electrical system Beverly 300 i.e.
ELE SYS - 86

Table of Contents

Related product manuals