EasyManua.ls Logo

PIAGGIO Beverly 300 i.e. - Flywheel Cover Diagram

PIAGGIO Beverly 300 i.e.
338 pages
Print Icon
To Next Page IconTo Next Page
To Next Page IconTo Next Page
To Previous Page IconTo Previous Page
To Previous Page IconTo Previous Page
Loading...
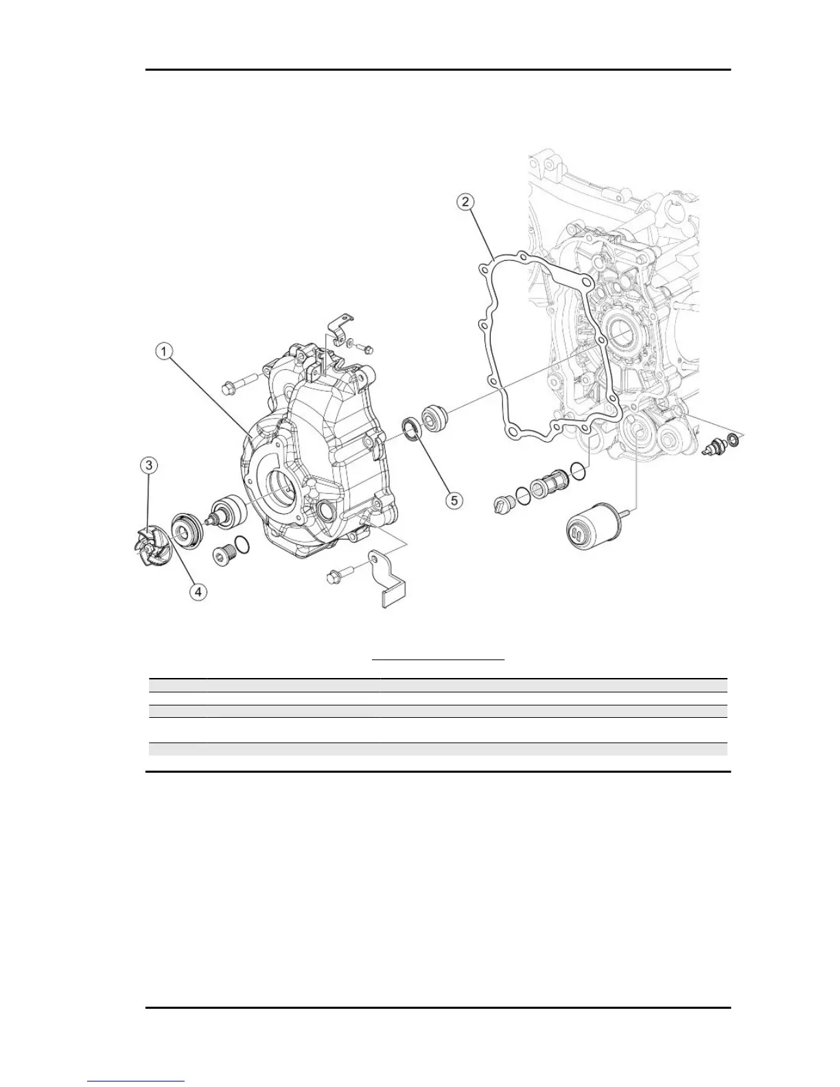
Flywheel cover
FLYWHEEL COVER
Code
Action Duration
1 001087 Flywheel cover - Replacement
2 001150 Flywheel cover gasket - change
3 007007 Water pump rotor - Replacement
4 001113 Water pump / Pump rotor - Replace-
ment
5 001099 Flywheel-side oil seal - Replacement
Beverly 300 i.e. Time
TIME - 293

Table of Contents

Related product manuals