EasyManua.ls Logo

PIAGGIO Beverly 300 i.e. - Horn Control

PIAGGIO Beverly 300 i.e.
338 pages
Print Icon
To Next Page IconTo Next Page
To Next Page IconTo Next Page
To Previous Page IconTo Previous Page
To Previous Page IconTo Previous Page
Loading...
2) Check fuses No. 1 and 5, the ignition key contacts, the stop light buttons and the starter button.
3) Check the start-up solenoid.
4) If components are in good condition, check that the cable harness connecting them is not interrupted.
5) Check if there is continuity of the Orange-Blue cable between the start-up solenoid and the control
unit connector.
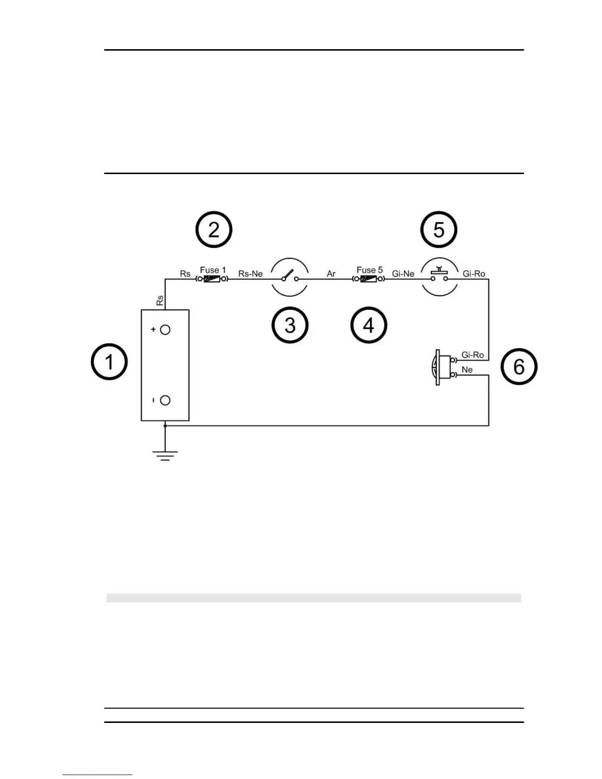
Horn control
KEY
1. Battery
2. Fuse No. 1
3. Ignition switch contacts
4. Fuse No. 5
5. Horn button
6. Horn
WARNING
ALL CONTINUITY TESTS MUST BE CARRIED OUT WITH THE CORRESPONDING CONNECTORS
DISCONNECTED.
1) Check fuses No. 1 and 5, the ignition key contacts and the horn button.
2) If the components are not damaged, check wiring for continuity.
3) Check that the Yellow-Pink cable between the horn and horn button is not interrupted.
4) Check that the Black cable of the horn is grounded.
Beverly 300 i.e. Electrical system
ELE SYS - 87

Table of Contents

Related product manuals