EasyManua.ls Logo

PIAGGIO Beverly 300 i.e. - Pump Supply Circuit

PIAGGIO Beverly 300 i.e.
338 pages
Print Icon
To Next Page IconTo Next Page
To Next Page IconTo Next Page
To Previous Page IconTo Previous Page
To Previous Page IconTo Previous Page
Loading...
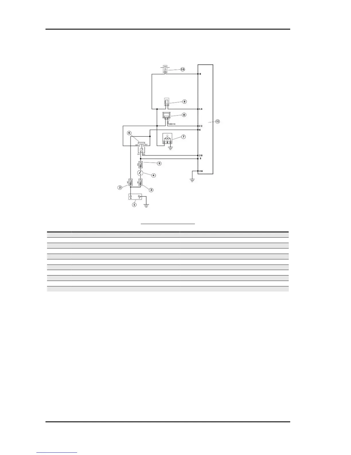
Pump supply circuit
INJECTION LOADS
Specification
Desc./Quantity
1 Battery 12V - 12 Ah
2 Fuse No. 3 10 A
3 Fuse No. 1 30 A
4 Ignition switch contacts
5 Fuse No. 6 5A
6 Injection load solenoid
7 Fuel pump
8 HV coil
9 Fuel injector
10 Injection ECU
11 Electric fan solenoid
When switched to «ON», the fuel pump starts to rotate for 2 seconds and then stops. When the engine
starts, in the presence of rpm timing signal the pump is continuously supplied.
ELECTRICAL DATA
Pump winding resistance ~ 1.5 Ohm
Input current during normal functioning 1.4 to 1.8 A
Input current to the closed hydraulic circuit ~ 2 A (to be checked with specific tool for fuel
pressure control, choking the circuit on the return pipe)
Injection Beverly 300 i.e.
INJEC - 180

Table of Contents

Related product manuals