EasyManua.ls Logo

Siemens 7SJ85 - Stage with Inverse-Time Characteristic Curve; Description

Siemens 7SJ85
1638 pages
Print Icon
To Next Page IconTo Next Page
To Next Page IconTo Next Page
To Previous Page IconTo Previous Page
To Previous Page IconTo Previous Page
Loading...
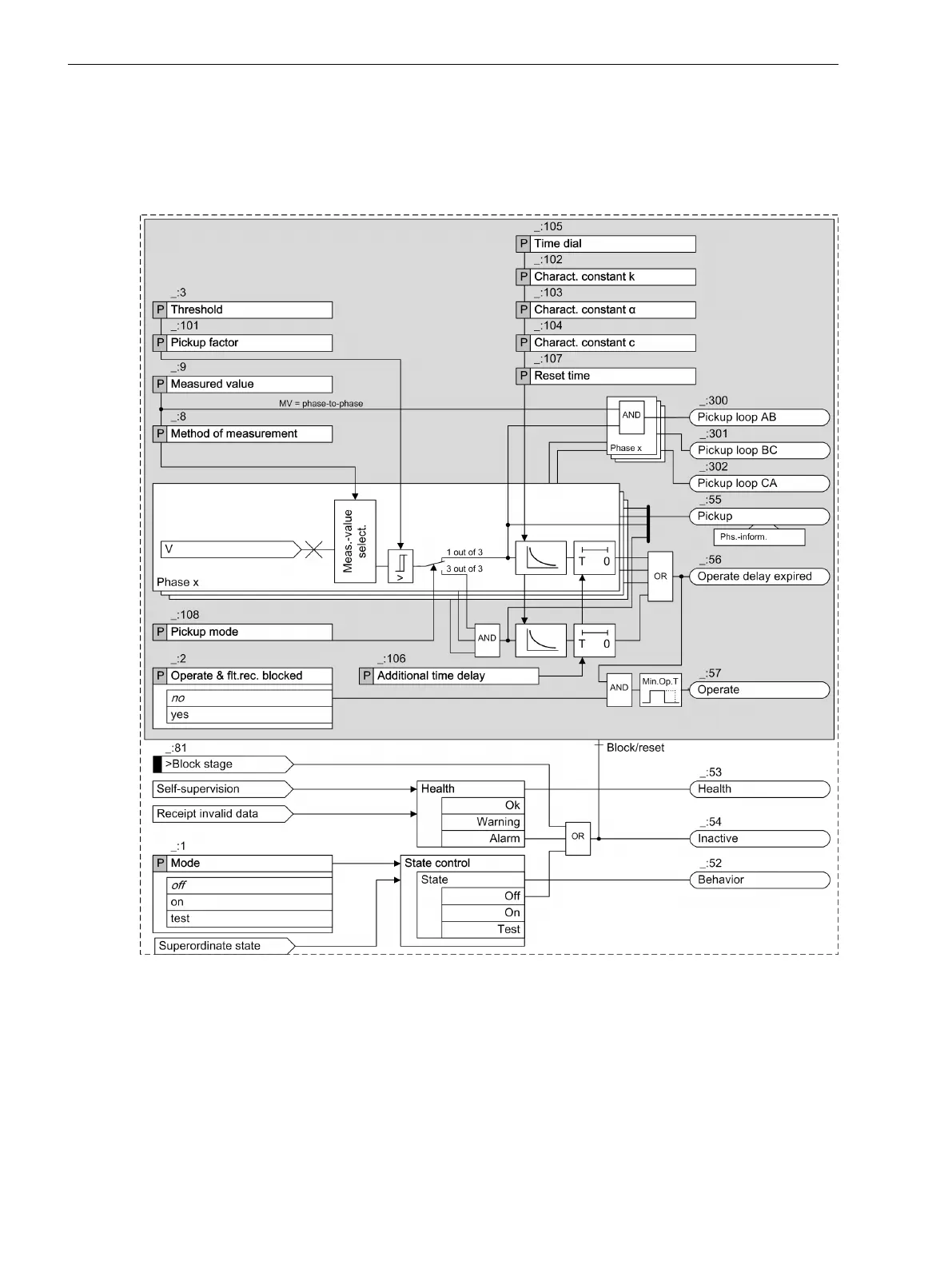
Stage with Inverse-Time Characteristic Curve
Description
Logic of the Stage
[lo3phinv, 2, en_US]
Figure 6-181
Logic Diagram of the Inverse-Time Overvoltage Protection with 3-Phase Voltage
Method of Measurement
Use the Method of measurement parameter to define whether the stage uses the fundamental comp.
or the RMS value .
Measurement fundamental comp. :
This method of measurement processes the sampled voltage values and filters out the fundamental
component numerically.
6.23.4
6.23.4.1
Protection and Automation Functions
6.23 Overvoltage Protection with 3-Phase Voltage
698 SIPROTEC 5, Overcurrent Protection, Manual
C53000-G5040-C017-8, Edition 07.2017

Table of Contents

Related product manuals