EasyManua.ls Logo

Siemens 7SJ85 - Stage Description

Siemens 7SJ85
1638 pages
Print Icon
To Next Page IconTo Next Page
To Next Page IconTo Next Page
To Previous Page IconTo Previous Page
To Previous Page IconTo Previous Page
Loading...
Stage Description
Logic of a Stage
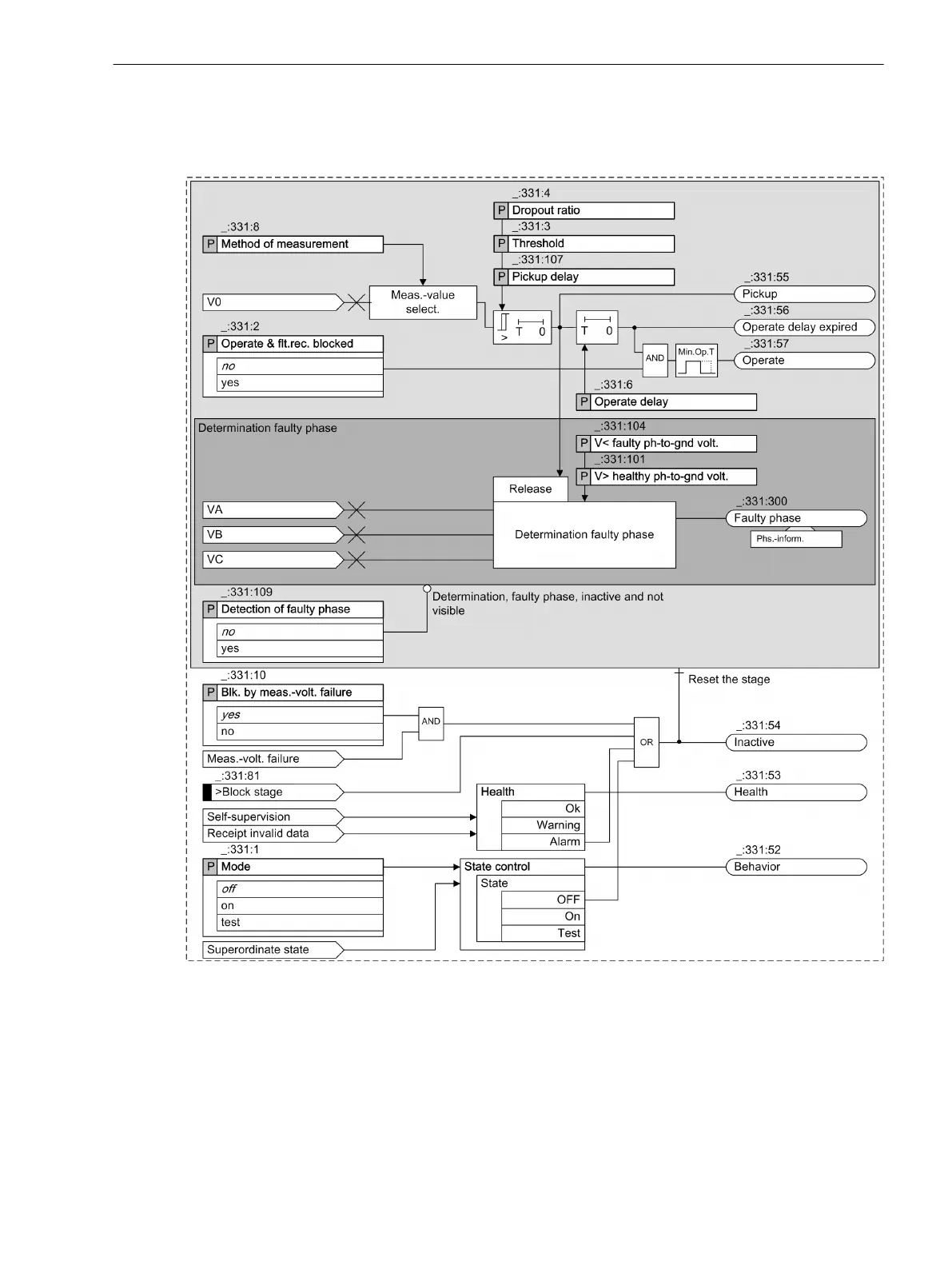
[loovpu03-090611-01.tif, 2, en_US]
Figure 6-184
Logic Diagram of an Overvoltage Protection with Zero-Sequence Voltage/Residual Voltage
Stage
Measured Value, Method of Measurement
The device measures the residual voltage at the broken-delta winding. The measured voltage is converted to
the zero-sequence voltage V
0
. If the residual voltage is not available to the device as a measurand, the zero-
sequence voltage V
0
is calculated from the measured phase-to-ground voltages V
A
, V
B
, and V
C
using the
defining equation.
6.24.3
Protection and Automation Functions
6.24 Overvoltage Protection with Zero-Sequence Voltage/Residual Voltage
SIPROTEC 5, Overcurrent Protection, Manual 705
C53000-G5040-C017-8, Edition 07.2017

Table of Contents

Related product manuals