EasyManua.ls Logo

Siemens 7SJ85 - Stage Description; Description

Siemens 7SJ85
1638 pages
To Next Page IconTo Next Page
To Next Page IconTo Next Page
To Previous Page IconTo Previous Page
To Previous Page IconTo Previous Page
Loading...
The default setting is a reasonable value. Siemens recommends using the default setting.
Stage Description
Description
Logic of the Stage
[lo_load shedding_stage, 1, en_US]
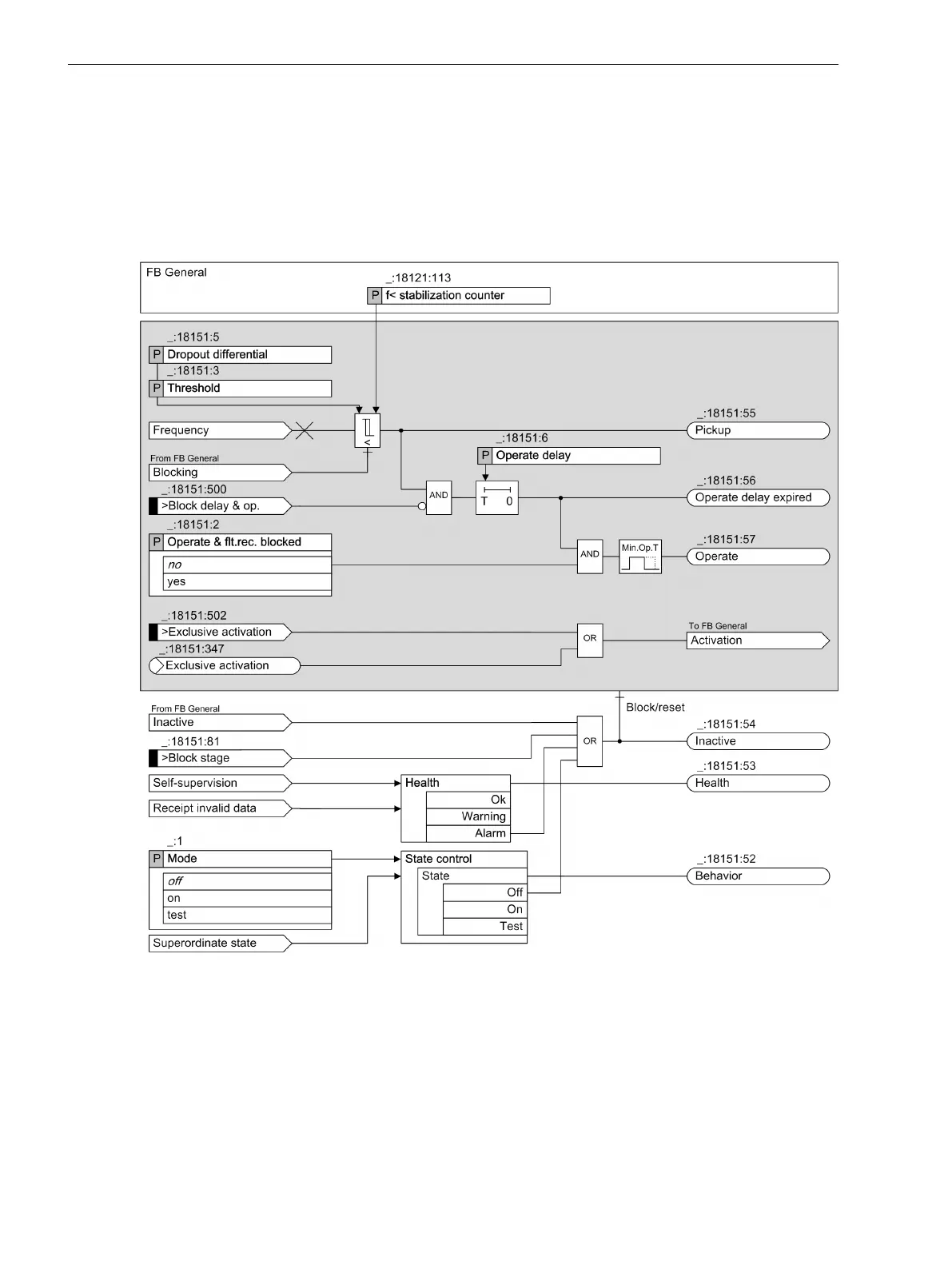
Figure 6-218
Logic Diagram of the Underfrequency Load Shedding Stage
Pickup and Operate
If the following 3 conditions are all fulfilled, a Pickup indication is issued:
The frequency value drops below the Threshold.
The Blocking input from the function block General is inactive.
The preceding 2 conditions are fulfilled during the configured number of frequency measurement cycles
(cycle time = 10 ms). You can set the number with the parameter f< stabilization counter.
6.34.4
6.34.4.1
Protection and Automation Functions
6.34 Underfrequency Load Shedding
780 SIPROTEC 5, Overcurrent Protection, Manual
C53000-G5040-C017-8, Edition 07.2017

Table of Contents

Related product manuals