EasyManua.ls Logo

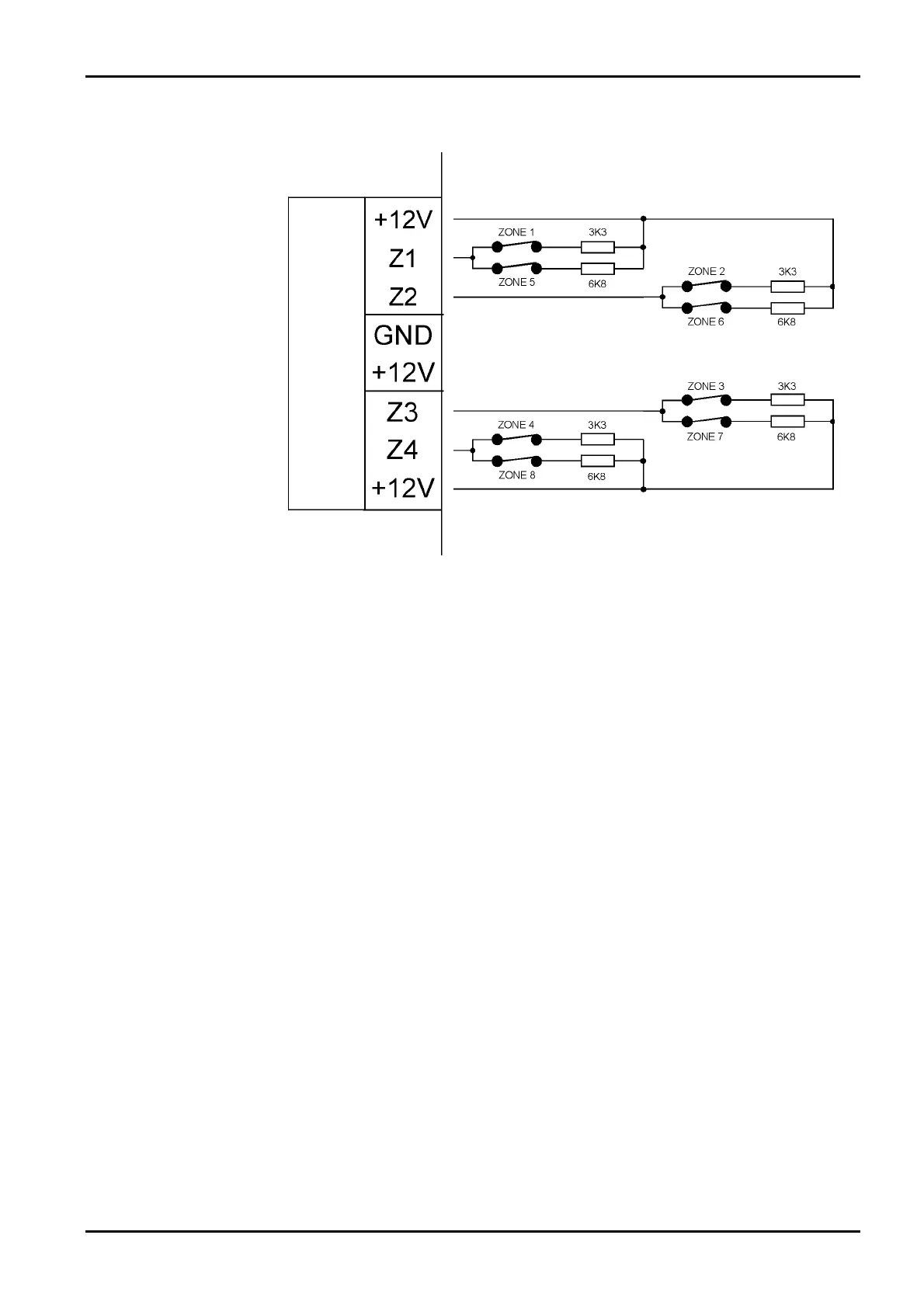
EDM Solution 862 - Connections of Split EOL Resistors Using N;C Contacts

Default Icon
262 pages
Print Icon
To Next Page IconTo Next Page
To Next Page IconTo Next Page
To Previous Page IconTo Previous Page
To Previous Page IconTo Previous Page
Loading...
Zone Information 159
Connections Of Split EOL Resistors Using N/C Contacts
Figure 7: Connections Of Split EOL Resistors For 8 Zones
Electronics Design and Manufacturing Pty Limited ISSUE130

Table of Contents

Other manuals for EDM Solution 862

Related product manuals