EasyManua.ls Logo

EDM Solution 862 - Telecom Connection Diagrams

Default Icon
262 pages
Print Icon
To Next Page IconTo Next Page
To Next Page IconTo Next Page
To Previous Page IconTo Previous Page
To Previous Page IconTo Previous Page
Loading...
236
Solution 862
Installation Manual
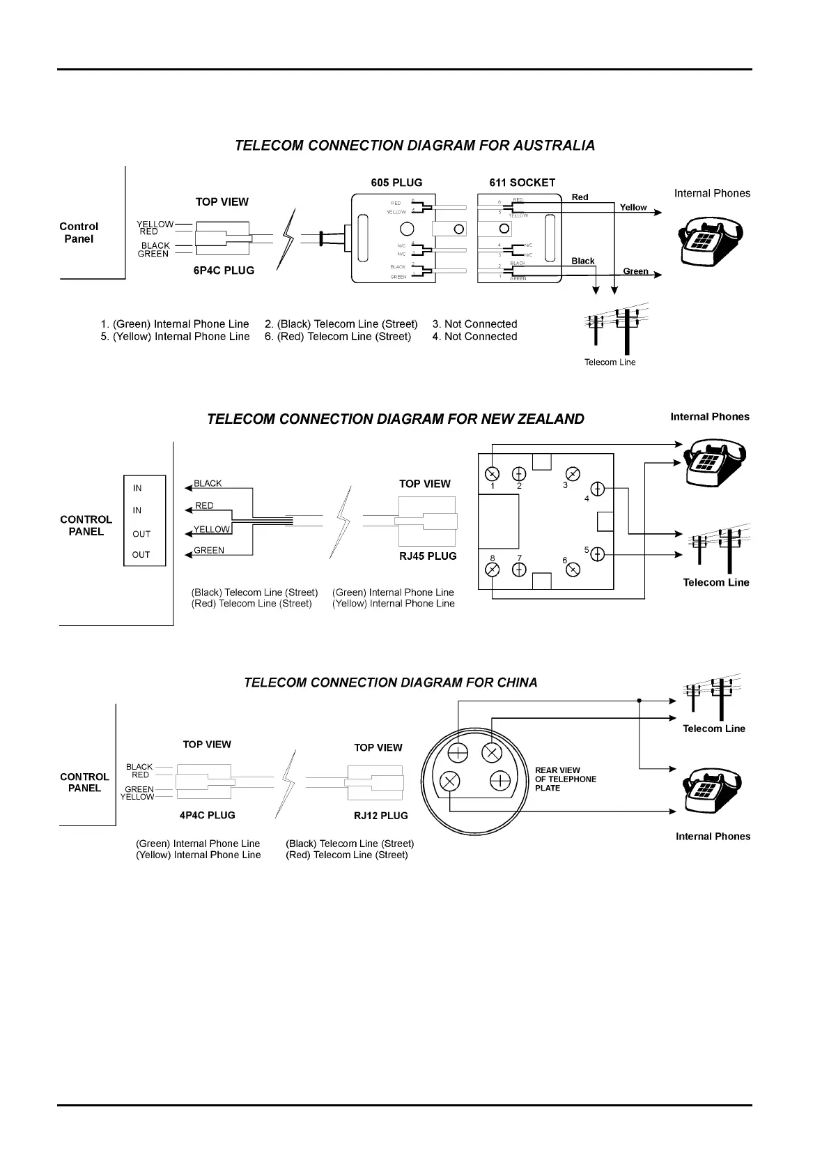
Telecom Connection Diagrams
Figure 15: Telecom Connection Diagrams For Solution 862
ISSUE130 Electronics Design and Manufacturing Pty Limited

Table of Contents

Other manuals for EDM Solution 862

Related product manuals