EasyManua.ls Logo

Lenze 8400 - Page 177

Lenze 8400
1590 pages
Print Icon
To Next Page IconTo Next Page
To Next Page IconTo Next Page
To Previous Page IconTo Previous Page
To Previous Page IconTo Previous Page
Loading...
5 Motor control (MCTRL)
5.5 V/f characteristic control - energy-saving (VFCplusEco)
Lenze · 8400 HighLine · Reference manual · DMS 12.0 EN · 06/2017 · TD23 177
_ _ _ _ _ _ _ _ _ _ _ _ _ _ _ _ _ _ _ _ _ _ _ _ _ _ _ _ _ _ _ _ _ _ _ _ _ _ _ _ _ _ _ _ _ _ _ _ _ _ _ _ _ _ _ _ _ _ _ _ _ _ _ _
Parameters Info Parameters Info Parameters Info
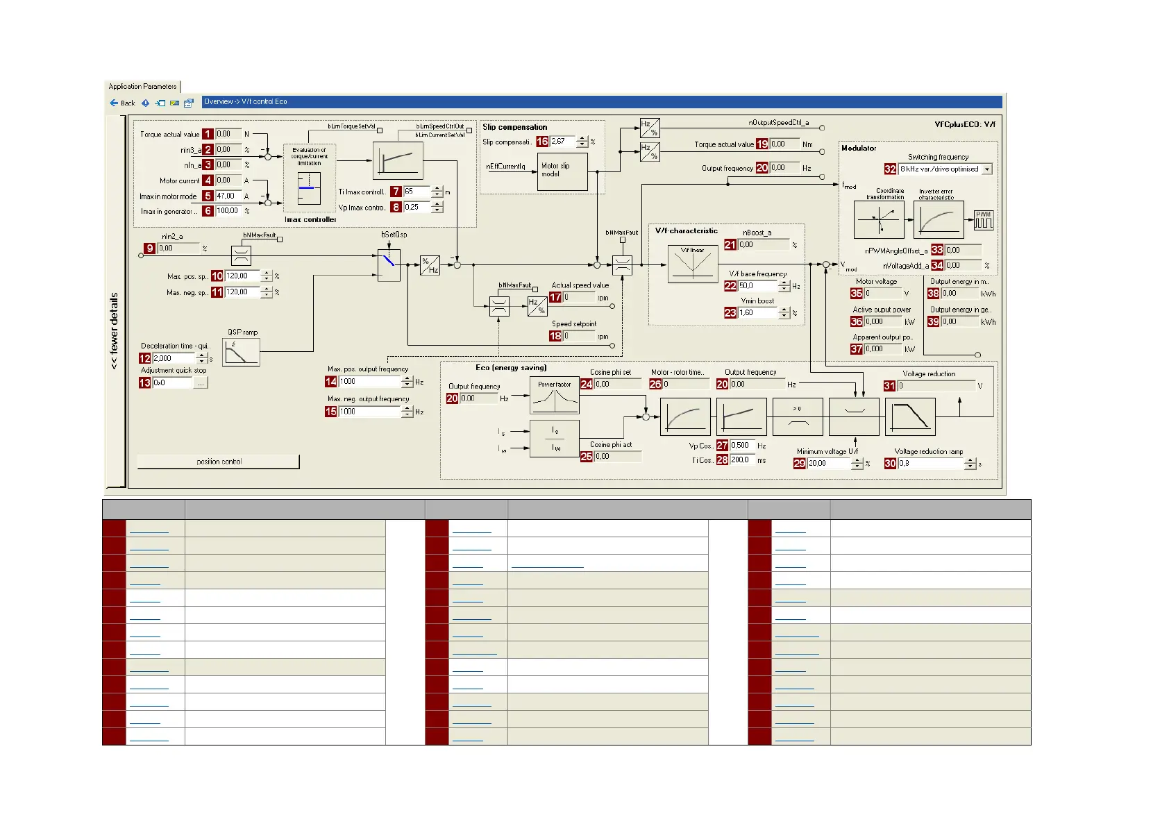
1 C00056/2 Actual torque value 14 C00910/1 Max. pos. output frequency 27 C00975 VFC-ECO: Vp
2 C00830/4 Limitation of torque in motor mode 15 C00910/2 Max. neg. output frequency 28 C00976 VFC-ECO: Ti
3 C00830/5 Limitation of torque in generator mode 16 C00021 Slip compensation 29 C00977 VFC-ECO: Minimum voltage V/f
4 C00054 Motor current 17 C00051 Actual speed value 30 C00982 VFC-ECO: Voltage reduction ramp
5 C00022 Imax in motor mode 18 C00050 Speed setpoint 31 C00978 VFC-ECO: Voltage reduction
6 C00023 Imax in generator mode 19 C00056/2 Actual torque value 32 C00018 Switching frequency
7 C00074 Ti Imax controller 20 C00058 Output frequency 33 C00830/32 MCTRL: nPWMAngleOffset_a
8 C00073 Vp Imax controller 21 C00830/26 MCTRL: nBoost_a 34 C00830/31 MCTRL: nVoltageAdd_a
9 C00830/3 Speed setpoint 22 C00015 V/f base frequency 35 C00052 Motor voltage
10 C00909/1 Max. pos. speed 23 C00016 Vmin boost 36 C00980/1 Active output power
11 C00909/2 Max. neg. speed 24 C00979/2 Cosine phi set 37 C00980/2 Apparent output power
12 C00105 Decel. time - quick stop 25 C00979/1 Cosine phi act 38 C00981/1 Output energy in motor mode
13 C00104/1 Quick stop setting 26 C00083 Motor rotor time constant 39 C00981/2 Output energy in generator mode

Table of Contents

Other manuals for Lenze 8400

Related product manuals