EasyManua.ls Logo

Lenze 8400 - Page 194

Lenze 8400
1590 pages
Print Icon
To Next Page IconTo Next Page
To Next Page IconTo Next Page
To Previous Page IconTo Previous Page
To Previous Page IconTo Previous Page
Loading...
5 Motor control (MCTRL)
5.7 Sensorless vector control (SLVC)
194
Lenze · 8400 HighLine · Reference manual · DMS 12.0 EN · 06/2017 · TD23
_ _ _ _ _ _ _ _ _ _ _ _ _ _ _ _ _ _ _ _ _ _ _ _ _ _ _ _ _ _ _ _ _ _ _ _ _ _ _ _ _ _ _ _ _ _ _ _ _ _ _ _ _ _ _ _ _ _ _ _ _ _ _ _
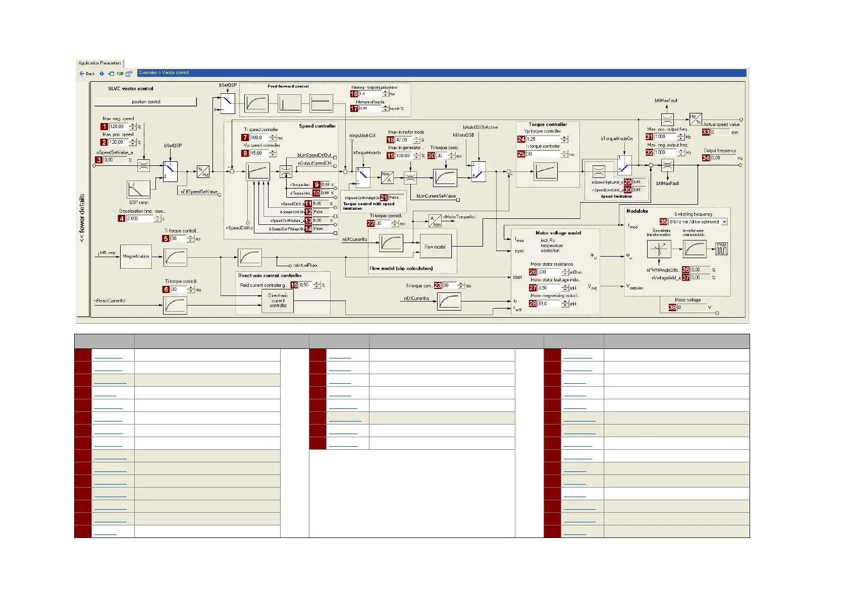
Parameters Info Parameters Info Parameters Info
1 C00909/2 Max. neg. speed 16 C00275 Setpoint feedforward control filtering 24 C00073/2 SLVC: Vp torque controller
2 C00909/1 Max. pos. speed 17 C00273 Moment of inertia 25 C00074/2 SLVC: Ti torque controller
3 C00830/22 Speed setpoint 18 C00022 Imax in motor mode 26 C00084 Motor stator resistance
4 C00105 Decel. time - quick stop 19 C00023 Imax in generator mode 27 C00085 Motor stator leakage inductance
5 C00074/2 SLVC: Ti torque controller 20 C00074/2 SLVC: Ti torque controller 28 C00092 Motor magnetising inductance
6 C00074/2 SLVC: Ti torque controller 21 C00833/69 MCTRL: bSpeedCtrlPAdaptOn 29 C00830/88 MCTRL: nSpeedHighLimit_a
7 C00071/1 SLVC: Ti speed controller 22 C00074/2 SLVC: Ti torque controller 30 C00830/23 MCTRL: nSpeedLowLimit_a
8 C00070/1 SLVC: Vp speed controller 23 C00074/2 SLVC: Ti torque controller 31 C00910/1 Max. pos. output frequency
9 C00830/28 Limitation of torque in generator mode 32 C00910/2 Max. neg. output frequency
10 C00830/29 Limitation of torque in motor mode 33 C00051 Actual speed value
11 C00830/24 MCTRL: nSpeedCtrlI_a 34 C00058 Output frequency
12 C00833/31 MCTRL: bSpeedCtrlIOn 35 C00018 Switching frequency
13 C00830/25 MCTRL: nSpeedCtrlPAdapt_a 36 C00830/32 MCTRL: nPWMAngleOffset_a
14 C00833/69 MCTRL: bSpeedCtrlPAdaptOn 37 C00830/31 MCTRL: nVoltageAdd_a
15 C00985 SLVC: Gain of field current controller 38 C00052 Motor voltage

Table of Contents

Other manuals for Lenze 8400

Related product manuals