EasyManua.ls Logo

Mazda 6 2002 - Generator Removal;Installation

Mazda 6 2002
1187 pages
Print Icon
To Next Page IconTo Next Page
To Next Page IconTo Next Page
To Previous Page IconTo Previous Page
To Previous Page IconTo Previous Page
Loading...
G6
CHARGING SYSTEM
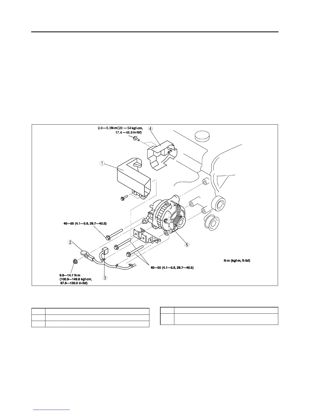
GENERATOR REMOVAL/INSTALLATION
A6E471018300W01
Warning
When the battery cables are connected, touching the vehicle body with generator terminal B will
generate sparks. This can cause personal injury, fire, and damage to the electrical components.
Always disconnect the battery negative cables before performing the following operation.
Caution
The generator can be damaged by the heat from the exhaust manifold. Make sure the generator
duct and the generator heat insulator are installed securely.
1. Disconnect the negative battery cable.
2. Remove the under cover.
3. Remove the drive belt. (See B3 DRIVE BELT REPLACEMENT.)
4. Remove in the order indicated in the table.
5. Install in the reverse order of removal.
Generator Removal Note
1. Remove the generator from above.
End Of Sie
AME4710W002
1 Generator duct
2 B terminal cable
3 Generator connector
4 Generator heat insulator
5 Generator
(See G6 Generator Removal Note)

Table of Contents

Related product manuals