EasyManua.ls Logo

Mazda 6 2002 - Page 614

Mazda 6 2002
1187 pages
Print Icon
To Next Page IconTo Next Page
To Next Page IconTo Next Page
To Previous Page IconTo Previous Page
To Previous Page IconTo Previous Page
Loading...
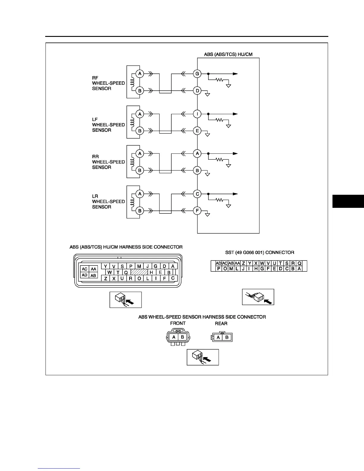
ON-BOARD DIAGNOSTIC (ABS/TCS)
P57
P

Table of Contents

Related product manuals