EasyManua.ls Logo

Mazda 6 2002 - Page 884

Mazda 6 2002
1187 pages
Print Icon
To Next Page IconTo Next Page
To Next Page IconTo Next Page
To Previous Page IconTo Previous Page
To Previous Page IconTo Previous Page
Loading...
T32
EXTERIOR LIGHTING SYSTEM
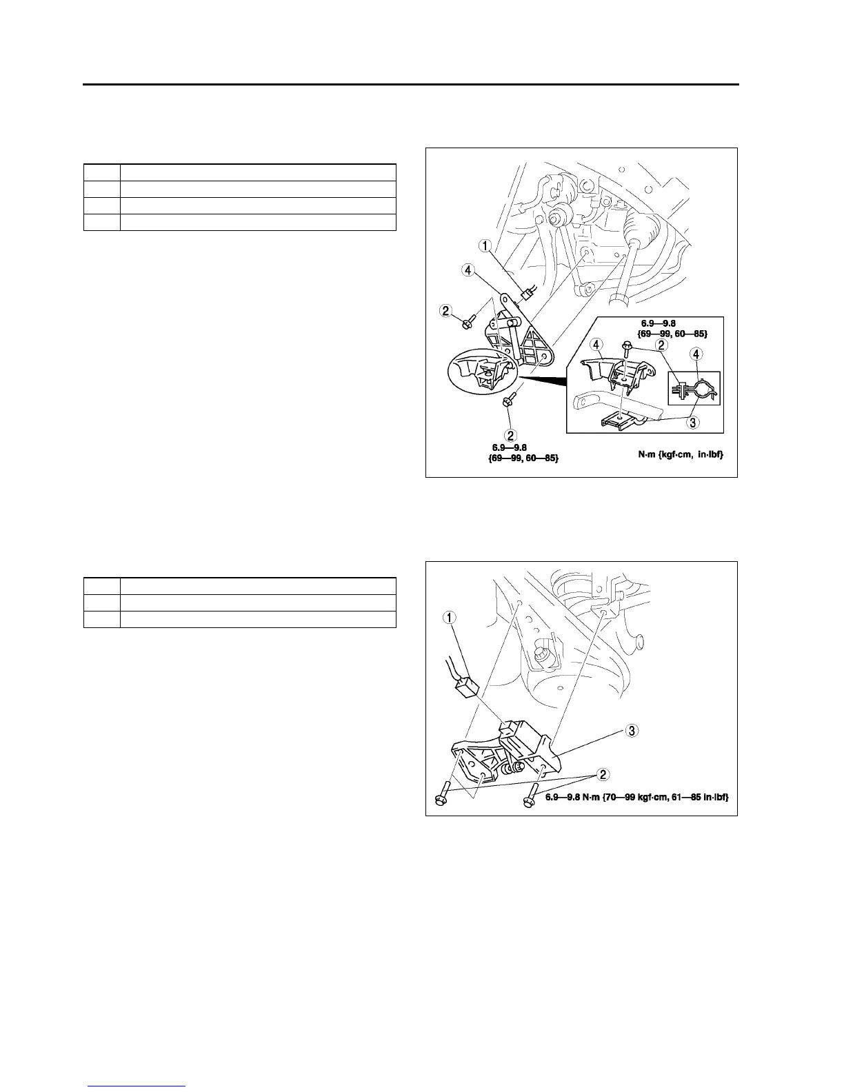
FRONT AUTO LEVELING SENSOR REMOVAL/INSTALLATION
A6E811251030W06
1. Disconnect the negative battery cable.
2. Jack up the vehicle and remove the wheel and tire.
3. Remove in the order indicated in the table.
4. Install in the reverse order of removal.
5. Adjust the headlight zeroset. (See T31
HEADLIGHT ZEROSET)
End Of Sie
REAR AUTO LEVELING SENSOR REMOVAL/INSTALLATION
A6E811251030W07
1. Disconnect the negative battery cable.
2. Jack up the vehicle.
3. Remove in the order indicated in the table.
4. Install in the reverse order of removal.
5. Adjust the headlight zeroset. (See T31
HEADLIGHT ZEROSET)
End Of Sie
1 Connector
2Bolt
3Bracket
4 Front auto leveling sensor
A6E8112W165
1 Connector
2Bolt
3 Rear auto leveling sensor
A6E8112W156

Table of Contents

Related product manuals